EasyManua.ls Logo

GE M60 - Page 342

GE M60
676 pages
Print Icon
To Next Page IconTo Next Page
To Next Page IconTo Next Page
To Previous Page IconTo Previous Page
To Previous Page IconTo Previous Page
Loading...
5-134 M60 MOTOR PROTECTION SYSTEM – INSTRUCTION MANUAL
PRODUCT SETUP CHAPTER 5: SETTINGS
5
DIRECT OUTPUT DEVICE ID: “1”
DIRECT I/O CH1 RING CONFIGURATION: “Yes”
DIRECT I/O DATA RATE: “128 kbps”
For UR-series IED 2:
DIRECT OUTPUT DEVICE ID: “2”
DIRECT I/O CH1 RING CONFIGURATION: “Yes”
DIRECT I/O DATA RATE: “128 kbps”
The message delivery time is about 0.2 of power cycle in both ways (at 128 kbps); that is, from device 1 to device 2, and
from device 2 to device 1. Different communications cards can be selected by the user for this back-to-back connection
(for example: fiber, G.703, or RS422).
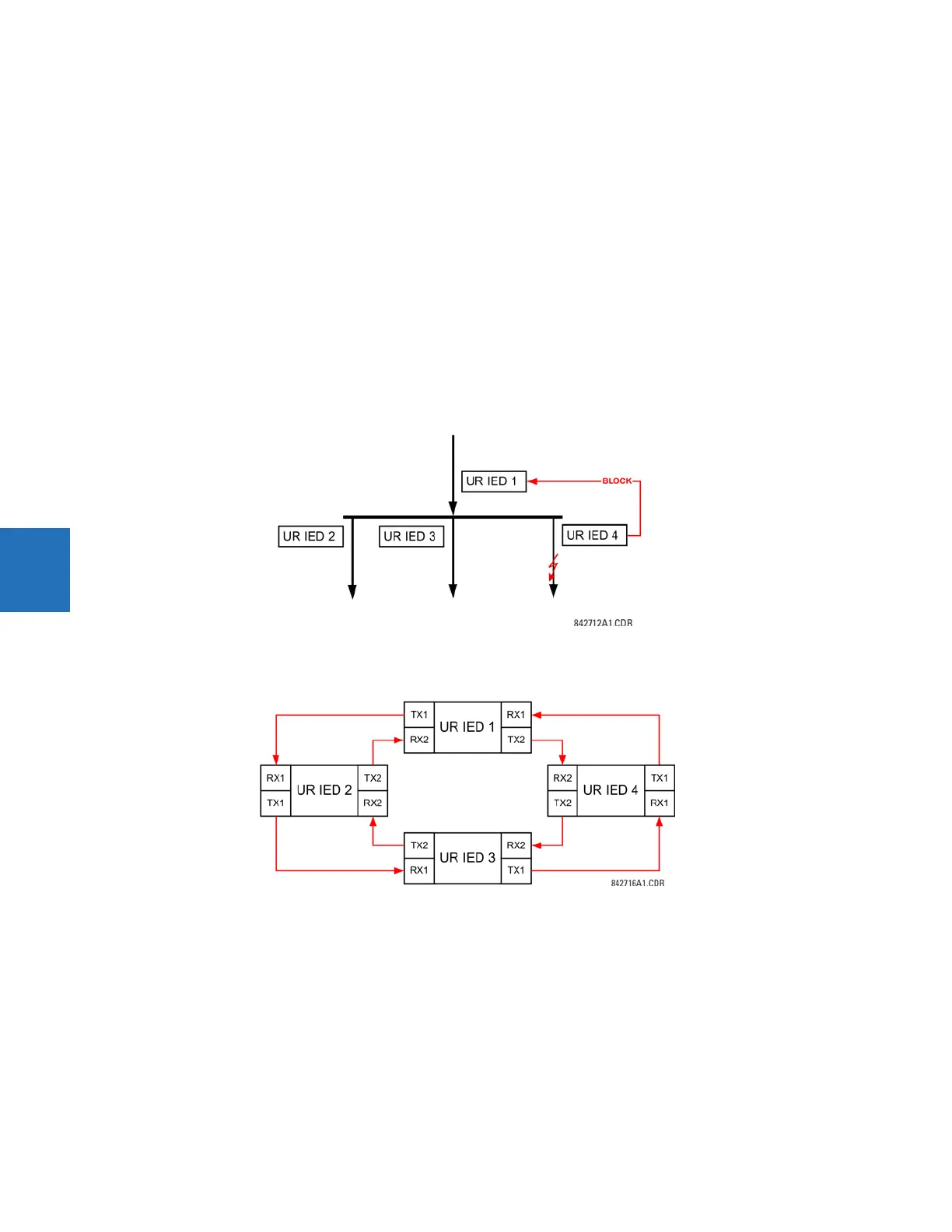
Example 2: Interlocking busbar protection
A simple interlocking busbar protection scheme could be accomplished by sending a blocking signal from downstream
devices, say 2, 3, and 4, to the upstream device that monitors a single incomer of the busbar, as shown.
Figure 5-60: Sample interlocking busbar protection scheme
For increased reliability, a dual-ring configuration (shown as follows) is recommended for this application.
Figure 5-61: Interlocking bus protection scheme via direct inputs/outputs
In this application, apply the following settings. For UR-series IED 1:
DIRECT OUTPUT DEVICE ID: “1”
DIRECT I/O CH1 RING CONFIGURATION: “Yes”
DIRECT I/O CH2 RING CONFIGURATION: “Yes”
For UR-series IED 2:
DIRECT OUTPUT DEVICE ID: “2”
DIRECT I/O CH1 RING CONFIGURATION: “Yes”
DIRECT I/O CH2 RING CONFIGURATION: “Yes”
For UR-series IED 3:

Table of Contents

Related product manuals