EasyManua.ls Logo

GE M60 - Page 58

GE M60
676 pages
Print Icon
To Next Page IconTo Next Page
To Next Page IconTo Next Page
To Previous Page IconTo Previous Page
To Previous Page IconTo Previous Page
Loading...
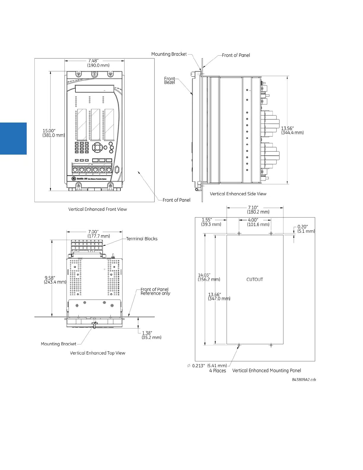
3-6 M60 MOTOR PROTECTION SYSTEM – INSTRUCTION MANUAL
PANEL CUTOUTS CHAPTER 3: INSTALLATION
3
Figure 3-5: Vertical dimensions (enhanced front panel)

Table of Contents

Related product manuals