EasyManua.ls Logo

GEA EL48 - Hydraulic Diagram - 38 FT Wide Tool Bar with 3 Deflectors

GEA EL48
192 pages
Print Icon
To Next Page IconTo Next Page
To Next Page IconTo Next Page
To Previous Page IconTo Previous Page
To Previous Page IconTo Previous Page
Loading...
Appendix
Hydraulic diagram - 38 FT Wide Tool Bar with 3 Deflectors
2018-9015-001
09-2016
181 / 192
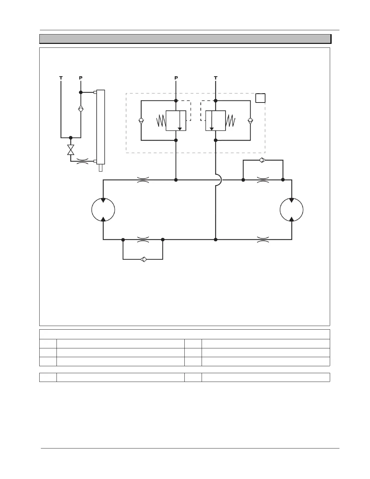
11.18 Hydraulic diagram - 38 FT Wide Tool Bar with 3 Deflectors
2
1
3
5
4
4
5
4
4
4
6
5
5
Legend:
1 Tool bar hydraulic cylinder 4 Pressure relief valve
2 Folding arm hydraulic motor (left side) 5 Restrictor
3 Folding arm hydraulic motor (right side) 6 Ball valve
P
Pressure
T
Tank

Table of Contents