EasyManua.ls Logo

Generac Power Systems E - Marathon Alternator Schematic Diagram (0 C1375-C)

Generac Power Systems E
80 pages
Print Icon
To Next Page IconTo Next Page
To Next Page IconTo Next Page
To Previous Page IconTo Previous Page
To Previous Page IconTo Previous Page
Loading...
54 Generac
®
Power Systems, Inc.
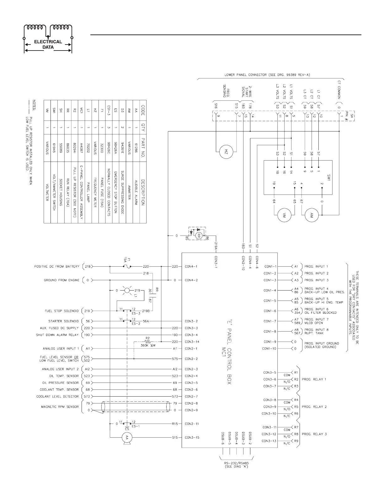
Section 5 — Electrical Data
Schematic Diagram (For Use With Marathon Alternator) – Drawing No. 0C1375-C
For units manufactured prior to the 2nd quarter of 2000.
Standard diagram. Please refer to the Owner’s Manual of the unit for specific details.

Table of Contents

Related product manuals