EasyManua.ls Logo

Graco Pro Xp H60T10 - Page 46

Graco Pro Xp H60T10
70 pages
Print Icon
To Next Page IconTo Next Page
To Next Page IconTo Next Page
To Previous Page IconTo Previous Page
To Previous Page IconTo Previous Page
Loading...
Repair
Alternator Alternator
Alternator
Removal Removal
Removal
and and
and
Replacement Replacement
Replacement
NOTE: NOTE:
NOTE:
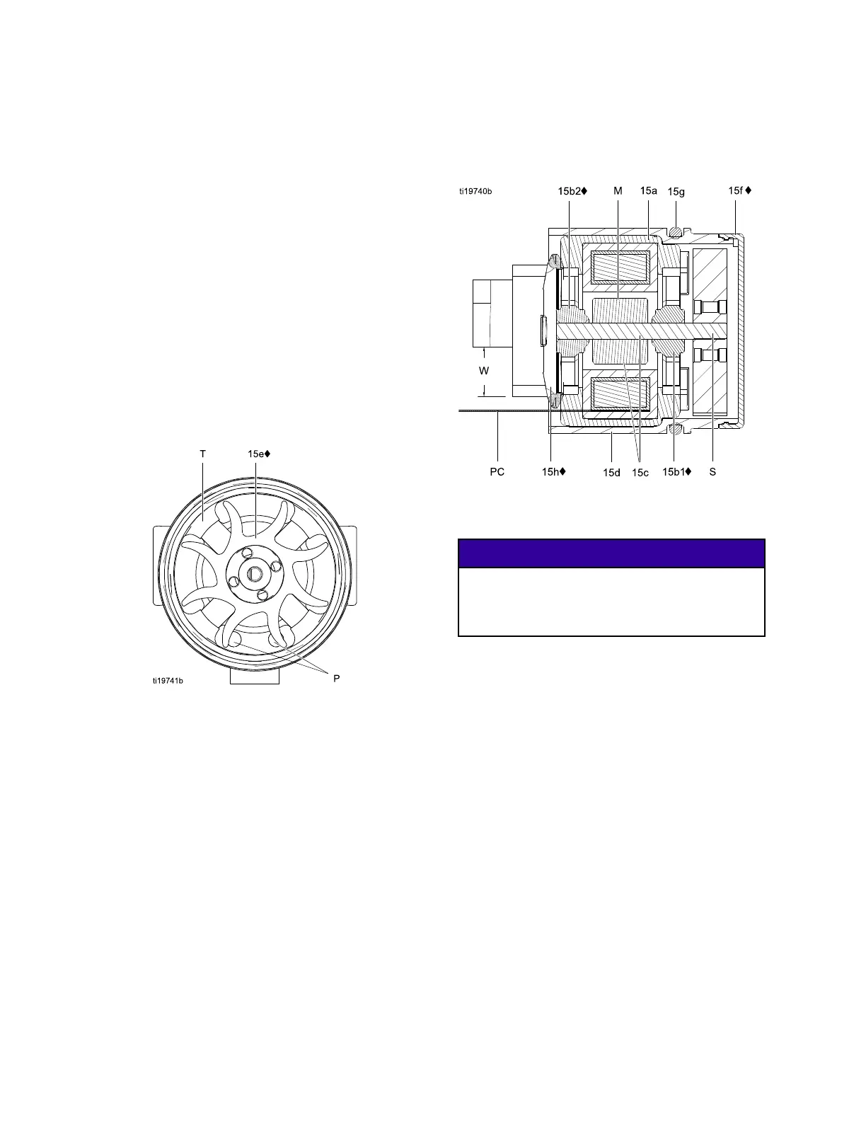
Replacealternatorbearingsafter2000hours
ofoperation.OrderPartNo.24N706BearingKit.
Partsincludedinthekitaremarkedwithasymbol(♦).
1.SeePreparetheGunforService,page39.
2.Removethepowersupply/alternatorassembly
anddisconnectthealternator.SeePowerSupply
RemovalandReplacement,page45.
3.Measureresistancebetweenthetwoouter
terminalsofthe3-wireconnector(PC);itshould
be2.0–6.0ohms.Ifoutsidethisrange,replace
thealternatorcoil(15a).
4.Usinga󰘱atbladescrewdriver,prytheclip(15h)
offthehousing(15d).Removethecap(15f),
usingathinbladeorscrewdriver.
5.Ifnecessary,rotatethefan(15e)soitsblades
clearthefourbearingtabs(T)ofthehousing
(15d).
Figure34FanOrientation
6.Pushthefanandcoilassembly(15a)outthe
frontofthehousing(15d).
Figure35AlternatorCross-Section
5isnotshownintheillustration.
NOTICE NOTICE
NOTICE
Donotscratchordamagethemagnet(M)or
shaft(S).Donotpinchordamagethe3–wire
connector(PC)whendisassemblingand
reassemblingthebearings.
7.Holdthecoilassembly(15a)onaworkbench
withthefanendfacingup.Usingawideblade
screwdriver,prythefan(15e)offtheshaft(S).
8.Removethetopbearing(15b2).
9.Removethebottombearing(15b1).
10.Installthenewbottombearing(15b1♦)onthe
longendoftheshaft(S).The󰘱attersideofthe
bearingmustfaceawayfromthemagnet(M).
Installinthecoil(15a)sothebearingbladesare
󰘱ushwiththesurfaceofthecoil.
11.Pressthenewtopbearing(15b2♦)ontotheshort
endoftheshaftsothebearingbladesare󰘱ush
withthesurfaceofthecoil(15a).The󰘱atterside
ofthebearingmustfaceawayfromthecoil.
463A2495K

Related product manuals