EasyManua.ls Logo

Graco Pro Xp H60T10 - Parts

Graco Pro Xp H60T10
70 pages
Print Icon
To Next Page IconTo Next Page
To Next Page IconTo Next Page
To Previous Page IconTo Previous Page
To Previous Page IconTo Previous Page
Loading...
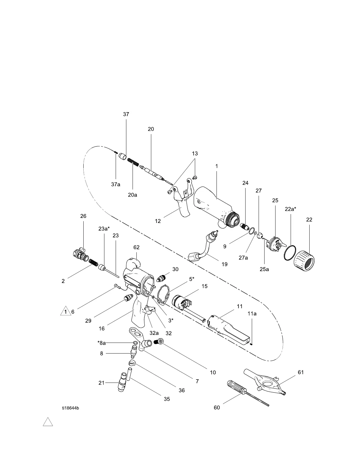
Parts
Parts Parts
Parts
Standard Standard
Standard
Air Air
Air
- -
-
Assisted Assisted
Assisted
Spray Spray
Spray
Gun Gun
Gun
Assembly Assembly
Assembly
Part Part
Part
No. No.
No.
H60T10 H60T10
H60T10
60 60
60
kV kV
kV
Electrostatic Electrostatic
Electrostatic
Air-Assisted Air-Assisted
Air-Assisted
Spray Spray
Spray
Gun, Gun,
Gun,
Series Series
Series
C C
C
Part Part
Part
No. No.
No.
H85T10 H85T10
H85T10
85 85
85
kV kV
kV
Electrostatic Electrostatic
Electrostatic
Air-Assisted Air-Assisted
Air-Assisted
Spray Spray
Spray
Gun, Gun,
Gun,
Series Series
Series
C C
C
Part Part
Part
No. No.
No.
H85T57 H85T57
H85T57
85 85
85
kV kV
kV
High High
High
Air Air
Air
Flow Flow
Flow
Electrostatic Electrostatic
Electrostatic
Air-Assisted Air-Assisted
Air-Assisted
Spray Spray
Spray
Gun, Gun,
Gun,
Series Series
Series
A A
A
1
Torqueto20in-lb(2N•m).
3A2495K53

Related product manuals