EasyManua.ls Logo

Hardy Process Solutions HI 6600-EIP - System and Load Cell Tests; Overview of Typical Load Cell System

Hardy Process Solutions HI 6600-EIP
137 pages
Print Icon
To Next Page IconTo Next Page
To Next Page IconTo Next Page
To Previous Page IconTo Previous Page
To Previous Page IconTo Previous Page
Loading...
HI 6600 Series Modular Sensor System User Guide
Page | 113
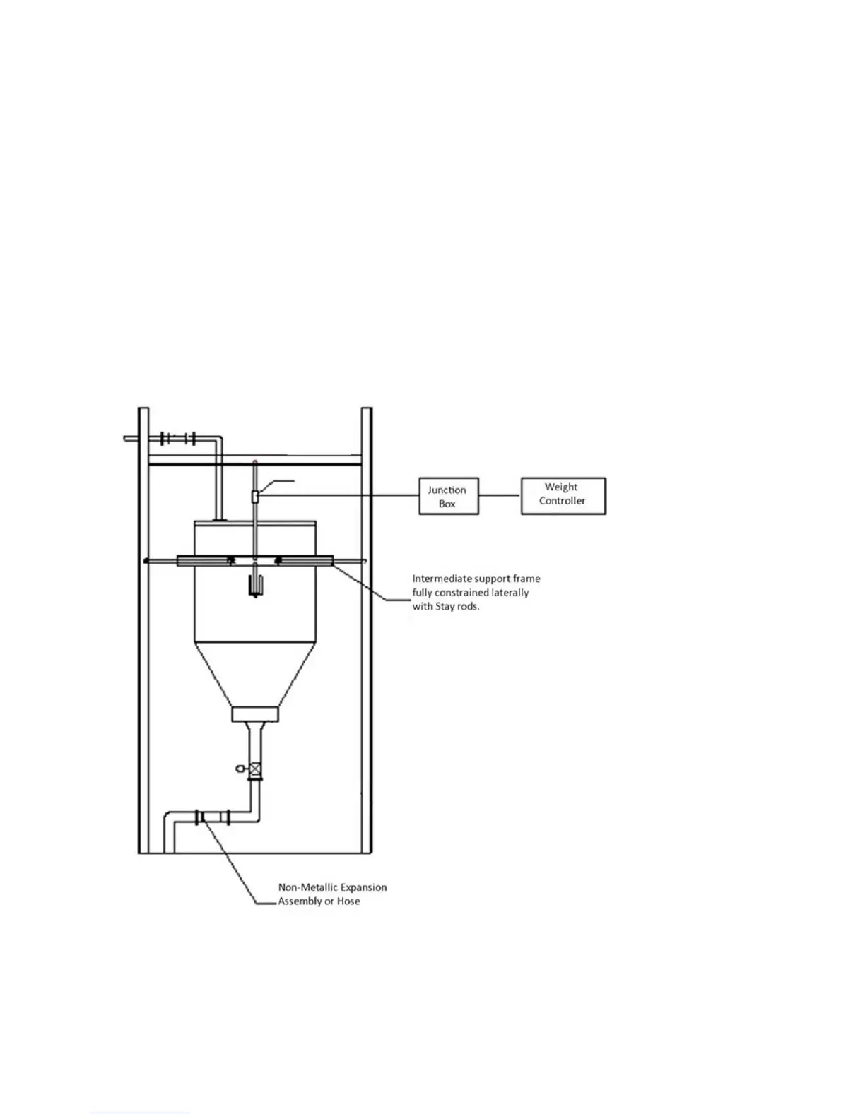
System and Load Cell Tests
Overview of Typical Load Cell System
The typical system consists of one or more load cells/points, a summing junction box, and an HI 6600 Weight Processor.
Load sensor - Used to measure pressure, weight, or torque, the sensor is a strain gauge- based force
transducer that generates an electrical signal proportional to the load applied. This can be done using either
tension or compression type load sensors. When the HI 6600 sends the load cell a 5-volt DC excitation
signal that powers the load cell, the force transducer generates a millivolt output proportional to the load (0-
10mv DC for 2mv/V load cells/ points or 0-15mv DC for 3mv/V load sensor).
Weight Processor - This is part of the HI 6600 that, among other functions, powers the load cell(s)/point(s),
receives the millivolt signal output from the load cell(s)/point(s), and digitizes, interprets, communicates
and displays the results.

Table of Contents

Related product manuals