EasyManua.ls Logo

Hardy Process Solutions HI 6600-EIP - Appendix E: Wiring Junction Boxes or Summing Cards; Connecting to Hardy Junction Boxes or Summing Cards

Hardy Process Solutions HI 6600-EIP
137 pages
Print Icon
To Next Page IconTo Next Page
To Next Page IconTo Next Page
To Previous Page IconTo Previous Page
To Previous Page IconTo Previous Page
Loading...
HI 6600 Series Modular Sensor System User Guide
Page | 134
Appendix E
Wiring Junction Boxes or Summing Cards
• • • • • •
Connecting to Hardy Junction Boxes or Summing Cards
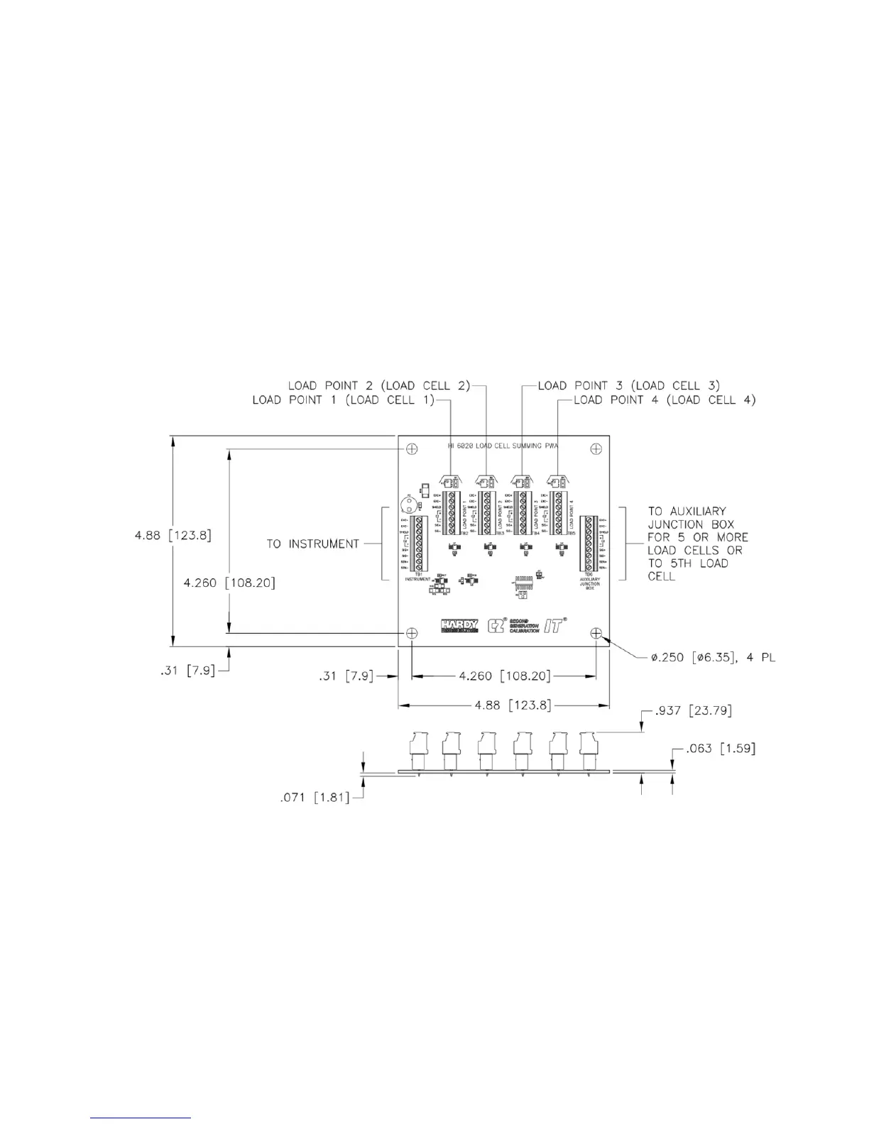
To connect more than one load cell to a Hardy HI 6610 WPM module, you will need a summing card or junction box
to aggregate the signals to provide a singular weight reading. While a platform, bench or floor scale has a built in
summing card to perform this function, load cells need an external Summing Card or Junction Box.
Junction Box Wiring Diagram

Table of Contents

Related product manuals