EasyManua.ls Logo

Hexagon TT80 - Schéma de Connexion Pour Lentrée de la Commande R-M; Exemples de Connexions Possibles

Hexagon TT80
Print Icon
To Next Page IconTo Next Page
To Next Page IconTo Next Page
To Previous Page IconTo Previous Page
To Previous Page IconTo Previous Page
Loading...
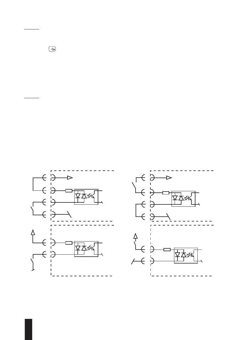
8.2 Schéma de connexion pour l’entrée de commande R-M
La commande R-M qui se trouve sur le connecteur 15 pôles/f permet de contrôler l’instru-
ment depuis un automate programmable. Cette commande R-M a la même fonction que la
touche et l’entrée de la pédale.
Comme pour la sortie de la classification avec relais, cette commande est prévue en stan-
dard pour les instruments TT80 et TT90 afin de connecter les automates programmables
soit vers Vcc, soit vers le GND.
8.3 Exemples de connexions possibles
Pour ces connexions, vous pouvez utiliser l’alimentation interne ou une alimentation
externe (48 V, max. 30 mA) mais jamais les deux ensemble.
Travailler en mode HOLD.
Saisir la valeur à l’aide de la touche M ou de la commande R-M.
Relâcher
la touche M ou la commande R-M pour disposer de la classification.
Attendre au minimum 300 ms avant de saisir une nouvelle valeur.
M
6
14
7
12
+5V
R-M
GND/R-M
PC354
GND
14
7
5 48V
R-M
GND/R-M
PC354
14
R-M
PC354
14
7
5
48V
R-M
GND/R-M
PC354
GND
6
+5V
7
12
GND/R-M
GND
Commande R-M «Sink» Commande R-M «Source»
20

Table of Contents

Related product manuals