EasyManua.ls Logo

Hexagon TT80 - Wiring Plan of R-M Input; Possible Connections (Examples)

Hexagon TT80
Print Icon
To Next Page IconTo Next Page
To Next Page IconTo Next Page
To Previous Page IconTo Previous Page
To Previous Page IconTo Previous Page
Loading...
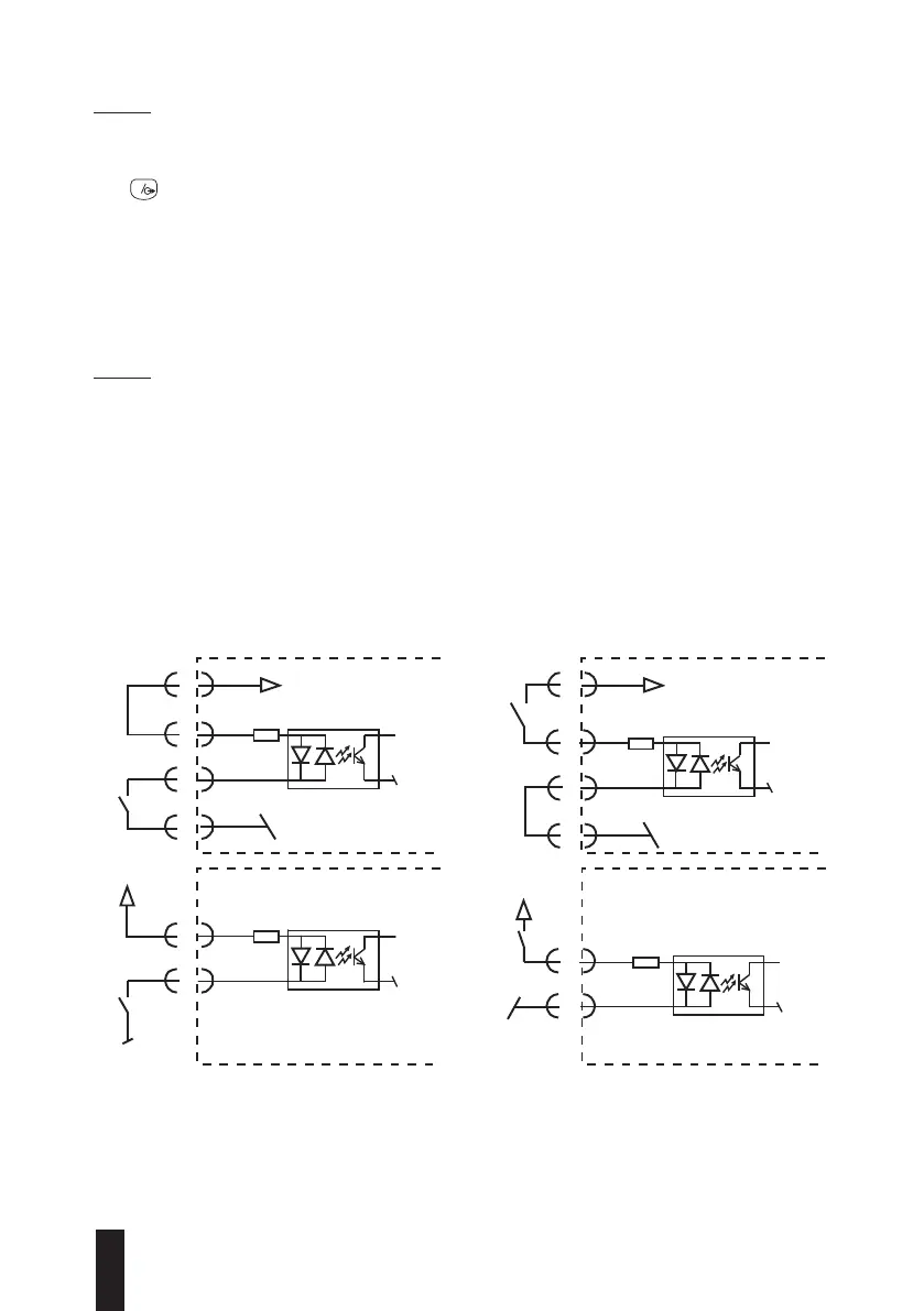
8.2 Wiring plan of R-M input
The R-M switch located on the 15-pin/f connector serves for controlling the measuring
instrument from a programmable device. This switch has the same function as the key
or the foot switch.
Like the output of the classification through relays, the R-M switch is provided in standard
with the TT80 and TT90 for connecting used programmable devices to Vcc or GND.
8.3 Possible connections (examples)
For these connections, you may either use an internal or external power supply (48 V, max.
30 mA), but never both together.
Select the HOLD mode.
Use the M switch or the R-M command to get the measured value.
Release either of both switches to enable the classification function
.
Wait at least 300 ms before capturing a new value.
M
6
14
7
12
+5V
R-M
GND/R-M
PC354
GND
14
7
5 48V
R-M
GND/R-M
PC354
14
R-M
PC354
14
7
5
48V
R-M
GND/R-M
PC354
GND
6
+5V
7
12
GND/R-M
GND
R-M command «Sink» R-M command «Source»
20

Table of Contents

Related product manuals