EasyManua.ls Logo

Hexagon TT80 - Vergindungsplan zum Anschluss des Steuereingangs R-M; Anschlussbeispiele

Hexagon TT80
Print Icon
To Next Page IconTo Next Page
To Next Page IconTo Next Page
To Previous Page IconTo Previous Page
To Previous Page IconTo Previous Page
Loading...
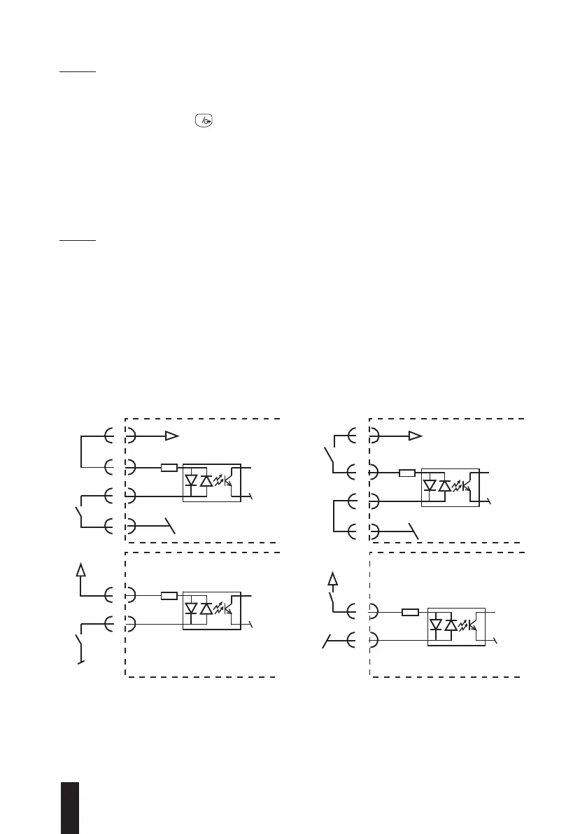
8.2 Verbindungsplan zum Anschluss des Steuereingangs R-M
Der am 15poligen/f Stecker angebrachte R-M-Schalter gestattet die Steuerung der
Messeinrichtung über einen programmierbaren Messautomat. Dieser Schalter hat dieselbe
Funktion wie die Taste und der Fußschalter.
Wie beim Steuerausgang der Messwertklassierung über Relais ist diese Funktion ein
Bestandteil der TESATRONIC TT80 und TT90, um programmierbare Messautomaten über
Vcc oder GND anzuschließen.
8.3 Anschlussbeispiele
Für diese Anschlüsse kann man entweder die interne Stromversorgung oder eine externe
Einspeisung 48 V, max. 30 mA benutzen. Jedoch niemals beide zusammen.
Im Modus «HOLD» arbeiten.
Taste M oder Schalter R-M zur Auslösung der Messung betätigen.
Mögliche Messwertklassierung beim Loslassen die Taste M oder den Schalter R-M.
Mindestens 300 ms warten, bevor eine neue Messung durchgeführt wird.
M
6
14
7
12
+5V
R-M
GND/R-M
PC354
GND
14
7
5 48V
R-M
GND/R-M
PC354
14
R-M
PC354
14
7
5
48V
R-M
GND/R-M
PC354
GND
6
+5V
7
12
GND/R-M
GND
R-M «Sink» R-M «Quelle»
20

Table of Contents

Related product manuals