EasyManua.ls Logo

Hypertherm HyPerformance HPR130XD - Page 245

Hypertherm HyPerformance HPR130XD
302 pages
Print Icon
To Next Page IconTo Next Page
To Next Page IconTo Next Page
To Previous Page IconTo Previous Page
To Previous Page IconTo Previous Page
Loading...
7-13
A
4
3
B
2
1
A
B
C
D
4
3
C
2 1
D
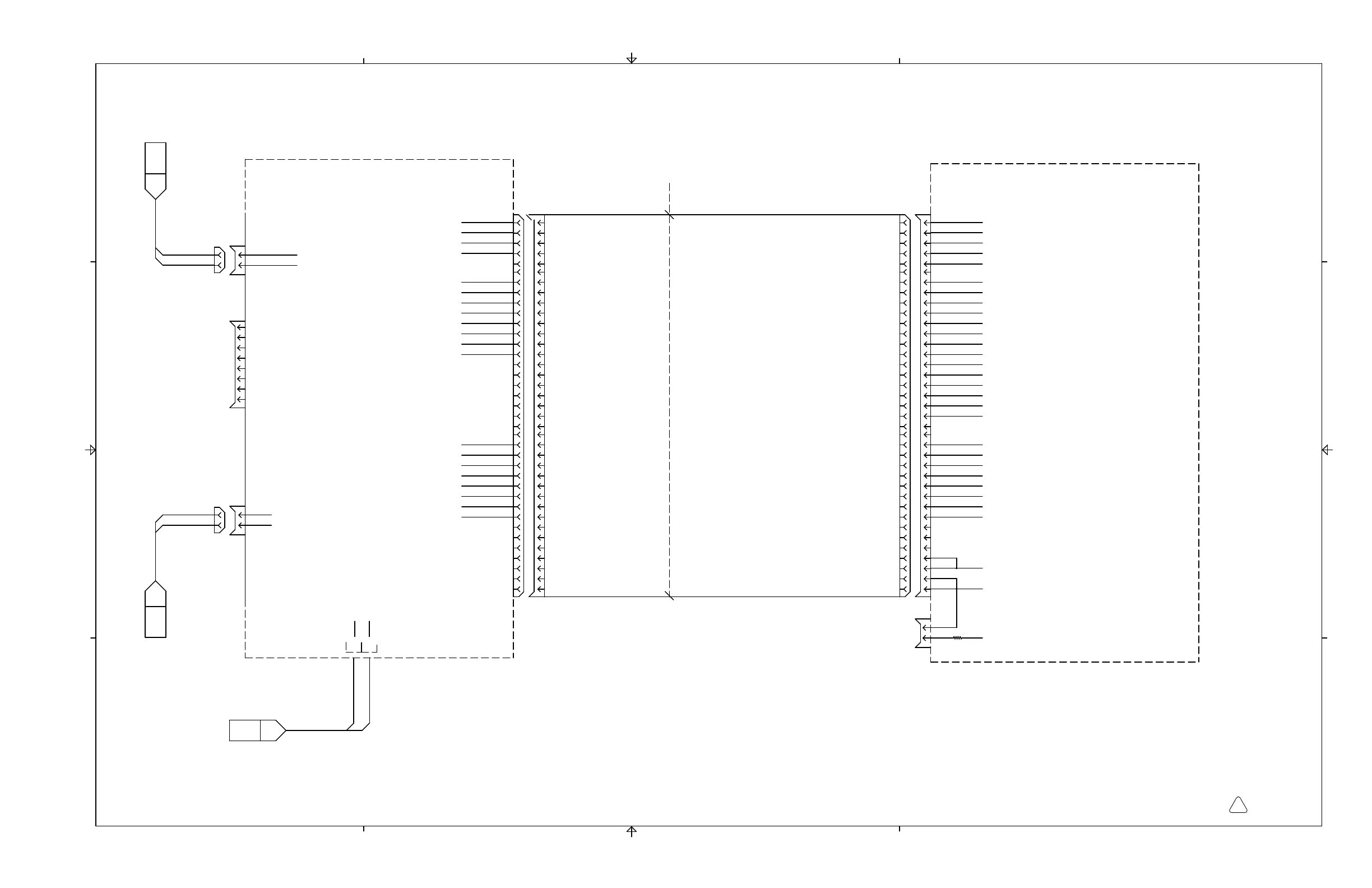
J303B
POWER SUPPLY CONTROL
041993
PCB3
RX37-
RX37+
TX37-
TX37+
MOTION 1-E
MOTION 1-C
ERROR-E
ERROR-C
RDERR-E
RDERR-C
NOT READY-E
NOT READY-C
CORNER-
CORNER+
PIERCE-
PIERCE+
HOLD-
HOLD+
START-
START+
PWR GND
ARCGLIDE ETHERNET INTERFACE
141131
THC OPTION
CORNER OUT-
CORNER OUT+
PIERCE COMPLETE OUT-
HOLD IGNITION OUT+
HOLE IGNITION OUT-
PIERCE COMPLETE OUT+
TX-
TX+
RX-
RX+
J1
TO ARCGLIDE MODULE(S)
J4
ELECTRODE
WORK
19
18
37
36
35
17
16
15
34
33
32
14
13
12
31
30
29
11
10
28
9
27
26
8
7
6
25
24
23
5
4
3
22
21
2
20
1
37
19
18
36
35
17
34
16
15
14
33
32
31
13
12
J5
9
30
29
11
10
28
8
27
26
7
25
6
3
23
24
5
4
22
20
21
2
1
7
8
5
6
4
3
2
1
PLASMA START OUT+
PLASMA START OUT-
CABLE: 123760
J13.5 J3.303B
TO POWER SUPPLY
YEL/BLK
YEL
2
1
J301
1
2
+24V
CNC +24V
422 GND
t
0
MOTION 2-E
MOTION 2-C
MOTION 3-E
MOTION 3-C
MOTION 4-E
MOTION 4-C
MOTION IN
ERROR IN
RAMPDOWN ERROR IN
NOT READY IN
+5V
+5V
+5V
+5V
J7
1
2
24VAC RTN
24VAC
J6
1
2
ON/OFF OUT+
ON/OFF OUT-
RED/BLK
RED
RED
WHT
J13.7
J13.6
2 1
SHEET
3-D4
BC
SHEET
3-A2
BD
SHEET
2-D1
P
ELEC SCH:HPR130XD POWER SUPPLY W/AUTO
D
013376
SHEET 9 OF 22

Table of Contents

Related product manuals