EasyManua.ls Logo

Hypertherm HyPerformance HPR130XD - Page 246

Hypertherm HyPerformance HPR130XD
302 pages
Print Icon
To Next Page IconTo Next Page
To Next Page IconTo Next Page
To Previous Page IconTo Previous Page
To Previous Page IconTo Previous Page
Loading...
7-14
4
3
2
1
GAS CSL PWR
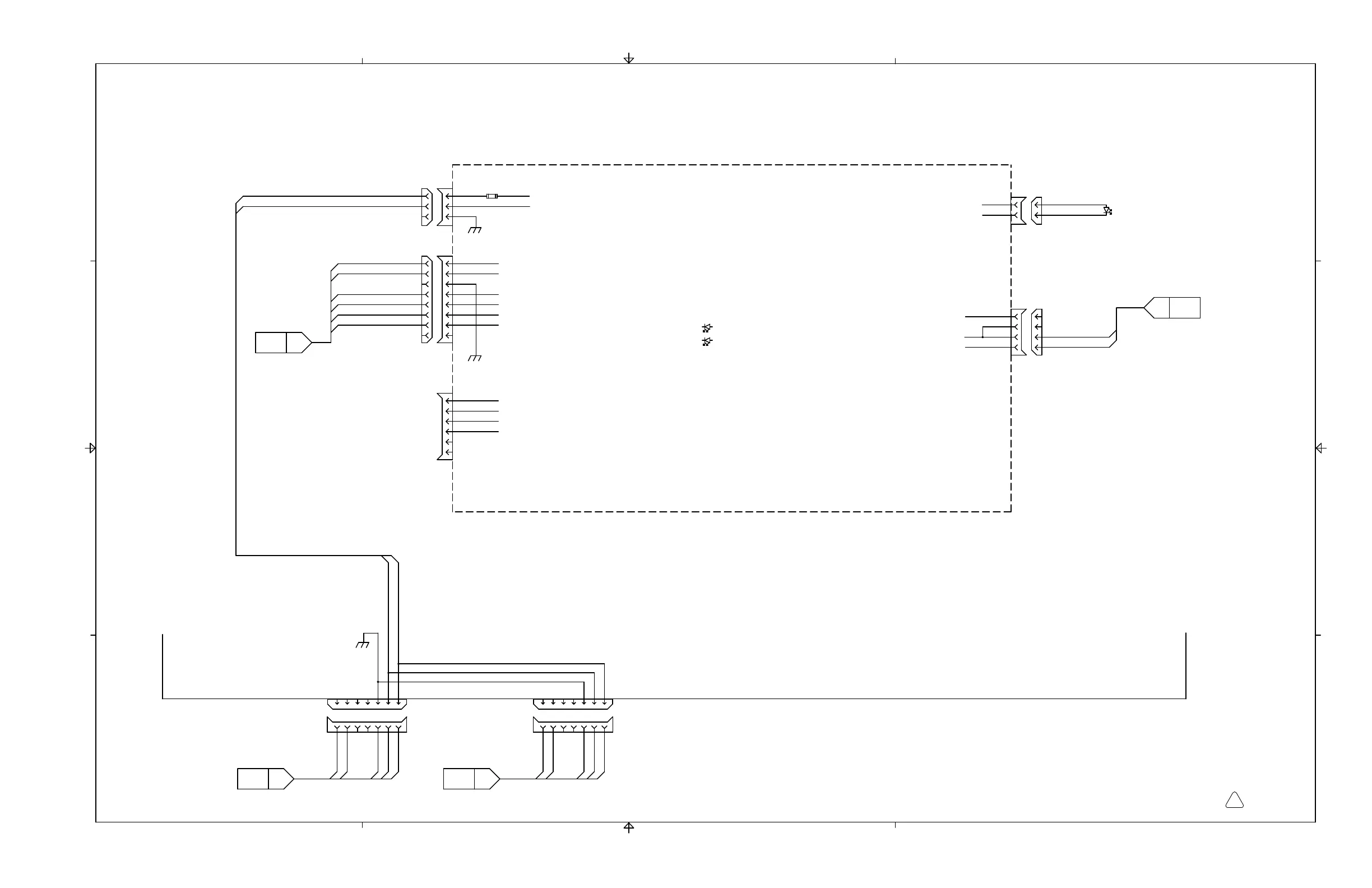
POWER DISTRIBUTION
3
2
J3
1
6
5
3
4
2
J4
1
J1.3
J1.4
120V RTN
+5V COM
120V HOT
+5V
+24V
+24V COM
RED
RED/BLK
7
5
6
D4 120VAC
D2 SV16 ENABLED
8
7
SELECTION CONSOLE
3X1
DC POWER
GAS CONSOLE
HPR AUTO GAS
5V GND
+5V
SV16
5V GND
6
4
3
5
2
1
J2
RED/BLK
RED
4
6
5
7
2
3
1
3X2
GRN/YEL
PCB1
041897
BLU
WHT
WHT
BLU
RED
RED/BLK
AC2
AC1
AC IN
TO METERING CONSOLE
WHT
BLU
+15V
+15V COM
RED
BLK
BLK
WHT
BLK
WHT
RED
SHD
SHD
BLK
1
120VAC
2
J1.6J6
RED/BLK
RED
RED
AC2
SV16
2
3
1
RED/BLK
J1.5J5
4
AC IN
A
B
C
4
3 2
D
4
3 2
1
A
B
C
1
D
SHEET
11-D4
AA
F1
SHEET
13-A4
Z
SHEET
3-A1
U
SHEET
12-D3
Y
LED
ELEC SCH:HPR130XD POWER SUPPLY W/AUTO
D
013376
SHEET 10 OF 22

Table of Contents

Related product manuals