EasyManua.ls Logo

Hypertherm HyPerformance HPR130XD - Page 247

Hypertherm HyPerformance HPR130XD
302 pages
Print Icon
To Next Page IconTo Next Page
To Next Page IconTo Next Page
To Previous Page IconTo Previous Page
To Previous Page IconTo Previous Page
Loading...
7-15
14
13
12
11
10
8
9
7
5
6
4
2
3
1
J 10
2
5
4
6
8
7
1
3
J2.11 J11
3
8
9
4
5
2
7
6
1
J14
1
J13
6
2
7
3
9
8
4
5
J15
1
2
TMS
TRST\
TDI
COM
+5V
TDO
TCK
EMU0
EMU1
J TAG
1
4
5
9
422A
7
8
3
422Y
2
6
J4
RS-422
CAN GND
CAN +24V
CANL
CANH
CANA
CANB
0
COM
422B
422Z
SV16
2
+5V
J1
1
3
4
5
6
LINE FREQ.
COM
6
8
7
3
5
4
2
1
BLK
RED
YEL
BLK
BLK
YEL
RED
J2
MIXING ENABLE
COM
A+3.3V
MV POT 1
MV POT 2
A COM
+15V
J9
1
2
3
4
7
6
5
BLK
BLU
BRN
8
9
10
11
13
12
16
14
15
BRN
BLU
BLK
BRN
BLU
BLK
BRN
BLU
BLK
PT1
TP3
TP5
PT2
TP16
PT3
TP13
PT4
COM
POWER INDICATORS
D45 +24V
D40 +15V
D18 +5V
D17 +3.3V
BLU
WHT
BLU
WHT
BLU
WHT
+24V
PWR GND
+5V
GND
+15V
COM
-15V
J2.9
3X4
3X3
BLK
RED
BLK
RED
SHLD
SHLD
RED
BLK
BLK
RED
7
6
8
8
6
7
RED
YEL
BLK
RED
YEL
BLK
J2.2
POT 2POT 1
TO METERING CONSOLE
HPR AUTO GAS
SELECTION CONSOLE
CONTROL
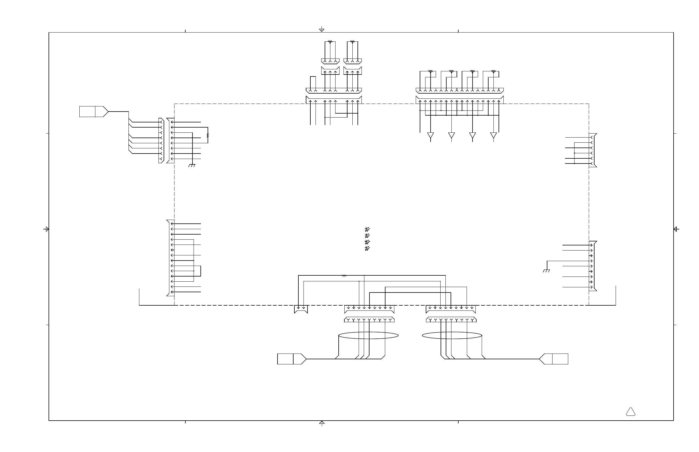
041828
PCB2
A
B
C
4
3 2
D
4
3 2
1
A
B
C
1
D
121
MV2 POT
P1 P2 P3 P4
SHEET
14-A3
BB
MV1 POT
SHEET
10-C4
AA
SHEET
5-A3
X
ELEC SCH:HPR130XD POWER SUPPLY W/AUTO
D
013376
SHEET 11 OF 22

Table of Contents

Related product manuals