EasyManua.ls Logo

Hypertherm HyPerformance HPR130XD - Page 248

Hypertherm HyPerformance HPR130XD
302 pages
Print Icon
To Next Page IconTo Next Page
To Next Page IconTo Next Page
To Previous Page IconTo Previous Page
To Previous Page IconTo Previous Page
Loading...
7-16
15
9
13
11
3
7
5
J2.3
1
J3
59
57
49
55
53
51
19
27
29
31
23
21
25
17
35
43
45
47
39
37
41
33
NOT USED
NOT USED
NOT USED
+5V
SPARE 3
SPARE 4
+5V
+5V
SV17
SV18
SV16
SV15
SV19
SV20
SPARE 2
SPARE 1
SV9
SV10
SV8
SV7
SV11
SV12
SV14
SV13
SV1
SV2
SV3
SV4
SV6
SV5
59
57
55
47
53
51
49
45
43
41
33
39
37
35
29
31
27
19
25
23
21
15
17
13
5
11
9
7
1
3
J3.4 J4
120V HOT
120V RTN
2
1
J1J3.1
60 COND RIBBON
SPARE OUTPUT
3
+24V
PWM4
PWM3
PWM2
PWM1
123704
RED/BLK
RED
SELECTION
CONSOLE
ENABLE
120V RTN
120V RTN
120V RTN
120V RTN
120V RTN
120V RTN
120V RTN
120V RTN
120V RTN
120V RTN
120V RTN
120V RTN
120V RTN
120V RTN
120V RTN
120V RTN
120V RTN
120V RTN
120V HOT
120V HOT
120V HOT
SV4
SV3
SV2
SV1
SV5
SV6
SV7
SV8
SV9
SV10
SV11
SV12
SV13
SV14
120V RTN
120V RTN
120V RTN
120V RTN
120V RTN
SV16
SV17
SV18
SV19
SV20
14
12
13
11
9
10
8
7
6
5
4
3
2
1
HPR AUTO GAS
SELECTION CONSOLE
CONTROL
041828
PCB2
HPR AUTO GAS
SELECTION CONSOLE
RELAY
041822
PCB3
J12
30
29
28
24
27
26
25
23
22
21
17
20
19
18
15
16
14
10
13
12
11
8
9
7
3
6
5
4
1
2
J3
5
3
4
2
J2
J3.2
1
9
10
8
7
6
31
32
33
34
35
36
J3.3
SV1.B
RED/BLK
RED
SV2.B
SV2.A
SV4.A
SV4.B
SV3.B
SV3.A
SV8.B
SV8.A
SV6.A
SV6.B
SV7.A
SV7.B
SV5.B
SV5.A
SV12.B
SV14.B
SV14.A
SV13.B
SV13.A
SV12.A
SV10.A
SV10.B
SV11.A
SV11.B
SV9.B
SV9.A
SV1.A
RED
RED/BLK
RED
RED/BLK
RED
RED/BLK
RED
RED/BLK
RED
RED/BLK
RED
RED/BLK
RED
RED/BLK
RED/BLK
RED
RED/BLK
RED
RED/BLK
RED
RED/BLK
RED
RED/BLK
RED
RED/BLK
RED
RED/BLK
RED/BLK
RED/BLK
RED/BLK
RED/BLK
RED/BLK
RED/BLK
RED/BLK
RED/BLK
RED/BLK
RED/BLK
RED/BLK
RED
RED
RED
RED
RED
RED
RED
RED
RED
RED
RED
RED
RED
RED
RED
SV10.A
SV10.B
SV14.B
SV11.A
SV12.A
SV13.A
SV14.A
RED/BLK
SV4.A
SV3.A
SV2.A
SV1.A
SV5.A
SV1.B
SV3.B
SV4.B
SV6.A
SV6.B
SV5.B
SV2.B
SV7.A
SV7.B
SV8.B
SV9.B
SV8.A
SV11.B
SV9.A
SV12.B
SV13.B
1
3
2
RED
BLU
BLKBLK
BLU
RED CLOSE
OPEN
OPENBLK
RED
BLU
CLOSE
3
BLK
RED
BLU
2
1
MOTOR VALVES
RED/BLK
SV15.A
RED
SV14.B
SV15.B
SV15.A
RED/BLK
RED
A
B
C
4
3 2
D
4
3 2
1
A
B
C
1
D
SV15
SHEET
9-C1
Y
D1
D38
D39
D28
D37
D2
D3
D4
D5
D6
D7
D8
D9
D 10
D11
D12
D13
D14
D15
D16
D17
D18
D19
D20
SV1
SV2
SV3
SV4
SV5
SV6
SV7
SV8
SV9
SV10
SV11
SV12
SV13
SV14
MV2
MV1
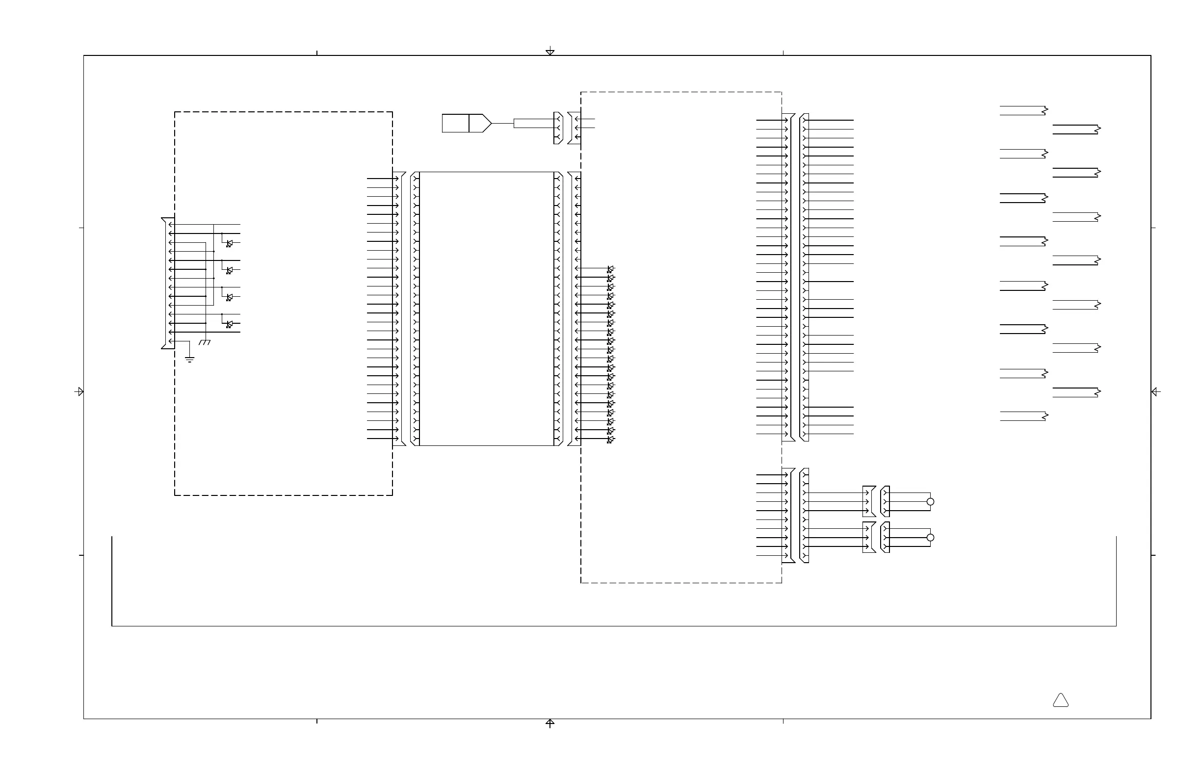
ELEC SCH:HPR130XD POWER SUPPLY W/AUTO
D
013376
SHEET 12 OF 22

Table of Contents

Related product manuals