EasyManua.ls Logo

Hypertherm HyPerformance HPR130XD - Page 249

Hypertherm HyPerformance HPR130XD
302 pages
Print Icon
To Next Page IconTo Next Page
To Next Page IconTo Next Page
To Previous Page IconTo Previous Page
To Previous Page IconTo Previous Page
Loading...
7-17
4
3
2
1
GAS CSL PWR
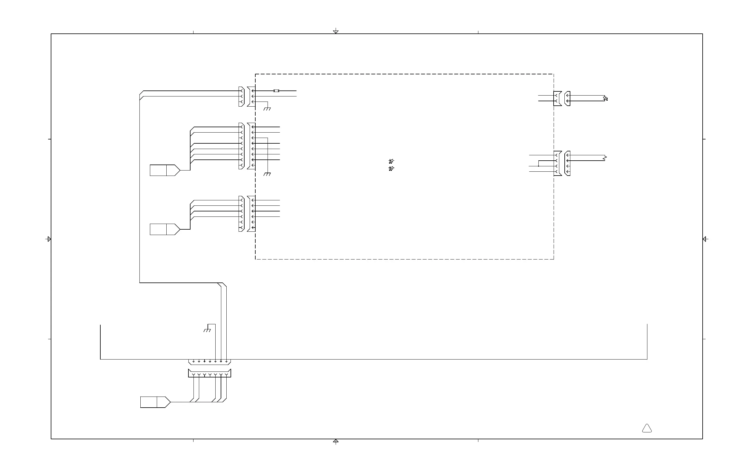
POWER DISTRIBUTION
3
2
J3
1
6
5
3
4
2
J4
1
J1.3
J1.4
120V RTN
+5V COM
120V HOT
+5V
+24V
+24V COM
RED
RED/BLK
7
5
6
D4 120VAC
D2 SV16 ENABLED
8
7
METERING CONSOLE
4X1
TO SELECTION CONSOLE
DC POWER
GAS CONSOLE
HPR AUTO GAS
5V GND
+5V
SV16
5V GND
6
4
3
5
2
1
J1.2 J2
PCB1
041897
BLU
WHT
BLU
WHT
BLU
WHT
WHT
BLU
RED
RED/BLK
AC2
AC1
AC IN
POWER IN
RAMPDOWN VALVE
CONTROL INPUT
+15V
+15V COM
WHT
BLU
RED
BLK
SHD
BLK
WHT
1
120VAC
2
J1.6J6
RED/BLK
RED
AC2
SV16
2
3
1
J1.5J5
4
AC IN
RAMPDOWN VALVE
OUTPUT
POWER
INDICATOR
RED/BLK
RED
SV16
A
B
C
4
3 2
D
4
3 2
1
A
B
C
1
D
F1
SHEET
14-D4
CC
SHEET
14-D1
DD
SHEET
10-A3
Z
LED
ELEC SCH:HPR130XD POWER SUPPLY W/AUTO
D
013376
SHEET 13 OF 22

Table of Contents

Related product manuals