EasyManua.ls Logo

Hypertherm HyPerformance HPR130XD - Page 250

Hypertherm HyPerformance HPR130XD
302 pages
Print Icon
To Next Page IconTo Next Page
To Next Page IconTo Next Page
To Previous Page IconTo Previous Page
To Previous Page IconTo Previous Page
Loading...
7-18
14
13
12
11
10
8
9
7
5
6
4
2
3
1
J 10
2
5
4
6
8
7
1
3
J2.11 J11
3
8
9
4
5
2
7
6
1
J14
1
J13
6
2
7
3
9
8
4
5
J15
1
2
TMS
TRST\
TDI
COM
+5V
TDO
TCK
EMU0
EMU1
J TAG
1
4
5
9
422A
7
8
3
422Y
2
6
J4
RS-422
CAN GND
CAN +24V
CANL
CANH
CANA
0
CABLE: 128930
COM
422B
422Z
SV16
2
+5V
J2.1J1
1
3
4
5
6
LINE FREQ.
COM
6
8
7
3
5
4
2
1
J2
MIXING ENABLE
COM
A+3.3V
MV POT 1
MV POT 2
A COM
+15V
J9
1
2
3
4
7
6
5
BLK
BLU
BRN
8
9
10
11
13
12
16
14
15
BRN
BLU
BLK
BRN
BLU
BLK
BRN
BLU
BLK
PT1
TP3
TP5
PT2
TP16
PT3
TP13
PT4
COM
POWER INDICATORS
D45 +24V
D40 +15V
D18 +5V
D17 +3.3V
BLU
WHT
BLU
WHT
BLU
WHT
+24V
PWR GND
+5V
GND
+15V
COM
-15V
J2.9
BLU
WHT
BLU
WHT
4X2
4X3
SHLD
RED
BLK
BLK
RED
RAMPDOWN VALVE
CONTROL OUTPUT
PRESSURE INPUTS
METERING VALVE
POT FEEDBACK INPUTS
POWER IN
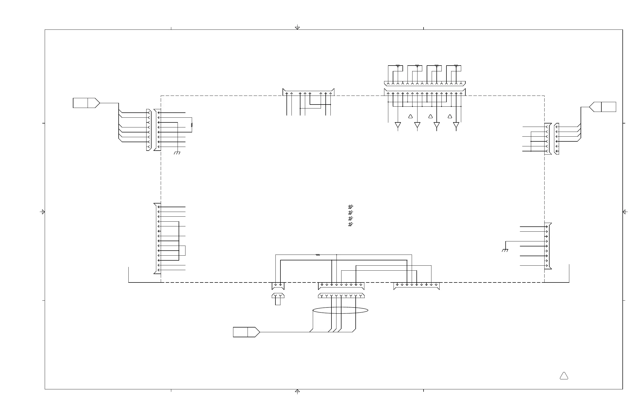
HPR AUTO GAS
METERING CONSOLE
CONTROL
041828
PCB2
E E E
A
B
C
4
3 2
D
4
3 2
1
A
B
C
1
D
121
P8 P7 P5 P6
SHEET
13-B4
DD
SHEET
13-C4
CC
SHEET
11-A1
BB
ELEC SCH:HPR130XD POWER SUPPLY W/AUTO
D
013376
SHEET 14 OF 22

Table of Contents

Related product manuals