EasyManua.ls Logo

IHI 17VX3 - Nomenclature

IHI 17VX3
130 pages
Print Icon
To Next Page IconTo Next Page
To Next Page IconTo Next Page
To Previous Page IconTo Previous Page
To Previous Page IconTo Previous Page
Loading...
STRUCTURE
NOMENCLATURE
17VX3
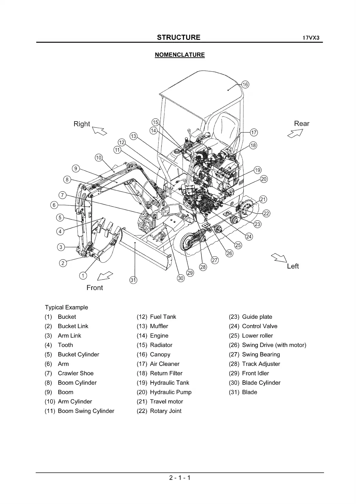
Typical Example
(1) Bucket
(2) Bucket Link
(3) Arm Link
(4) Tooth
(5) Bucket Cylinder
(6) Arm
(7) Crawler Shoe
(8) Boom Cylinder
(9) Boom
(10) Arm Cylinder
(11) Boom Swing Cylinder
(12) Fuel Tank
(13) Muffler
(14) Engine
(15) Radiator
(16) Canopy
(17) Air Cleaner
(18) Return Filter
(19) Hydraulic Tank
(20) Hydraulic Pump
(21) Travel motor
(22) Rotary Joint
2 - 1 - 1
(23) Guide plate
(24) Control Valve
(25) Lower roller
(26) Swing Drive (with motor)
(27) Swing Bearing
(28) Track Adjuster
(29) Front Idler
(30) Blade Cylinder
(31) Blade

Table of Contents

Related product manuals