EasyManua.ls Logo

IHI 17VX3 - Front Idler Assembly

IHI 17VX3
130 pages
Print Icon
To Next Page IconTo Next Page
To Next Page IconTo Next Page
To Previous Page IconTo Previous Page
To Previous Page IconTo Previous Page
Loading...
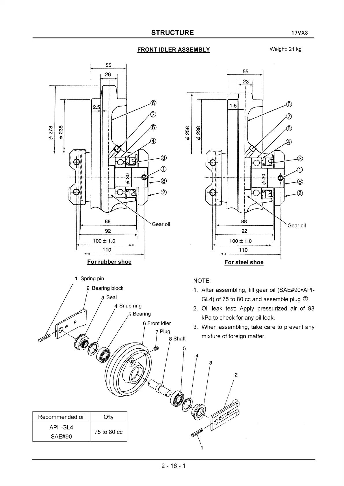
STRUCTURE
17VX3
FRONT IDLER
ASSEMBLY
Weight:
21
kg
55
26
55
23
6
7
5
:~lrr·
..
'.
j
ct
iii
:::
._-
-+H---
Hi
:::
t
::
:
...
6
2.5
Q)
co
co
@
I"-
M
C\I
C\J
--e..
-e.
@
88
Gear oil
i
88
Gear oil
92
92
100
±
1.0
100
±
1.0
110
110
For rubber shoe
For steel shoe
Recommended oil
Qty
API -GL4
SAE#90
1 Spring pin
2 Bearing block
3 Seal
4 Snap ring
5 Bearing
75 to
80
cc
NOTE:
1.
After assembling, fill gear oil (SAE#90·API-
GL4)
of
75 to
80
cc and assemble plug
0.
2.
Oil leak test: Apply pressurized air
of
98
kPa to check for any oil leak.
3.
When assembling, take care to prevent any
mixture
of
foreign matter.
2-16-1

Table of Contents

Related product manuals