EasyManua.ls Logo

IHI 17VX3 - Hydraulic Circuit Schematic Diagram

IHI 17VX3
130 pages
Print Icon
To Next Page IconTo Next Page
To Next Page IconTo Next Page
To Previous Page IconTo Previous Page
To Previous Page IconTo Previous Page
Loading...
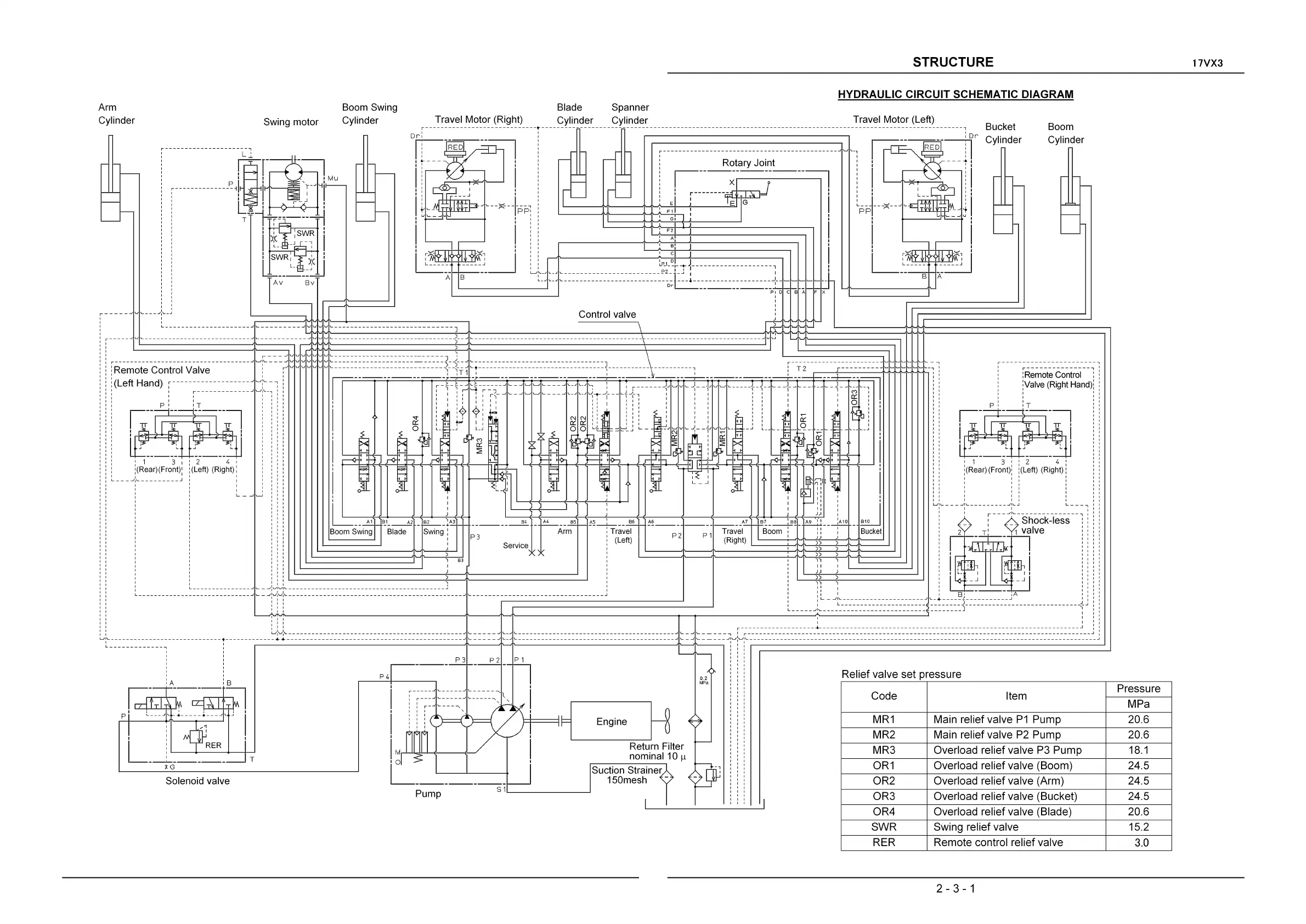
STRUCTURE
17VX3
HYDRAULIC CIRCUIT SCHEMATIC DIAGRAM
MPa
Pressure
Boom
Cylinder
Item
P
Bucket
Cylinder
-----------------------...,
:
R~~~t~
-
C~~tr~l-
-:
iValve
(Right
Hand):
I
I
I
IT
r----.-~-~-I
1T
1T
i
I 1 3 I I 2 4
:(Rear) (Front): :(Left) (Right)
I I I
I I :
I I I
I I I
I I I
I I I
LlI\.....
....II\....
...II\...
..J
I I
I
r - - -
-"II-
- - - - - - - - - - - - - - - ..,
: _ Shock-less
T
'
1 valve
--,
-,
Bucket
MR1
Main relief valve
P1
Pump 20.6
MR2 Main relief valve
P2
Pump 20.6
MR3 Overload relief valve
P3
Pump
18.1
OR1
Overload relief valve (Boom) 24.5
OR2 Overload relief valve (Arm) 24.5
OR3 Overload relief valve (Bucket) 24.5
OR4 Overload relief valve (Blade) 20.6
SWR Swing relief valve 15.2
RER Remote control relief valve
3.0
II
II
))
))
))
))
))
'1,
II
))
'1'1
::
I _
II
I
Bj
,A
~
.../:\..L_
=_~~-~-~-~-~-~-~-~-~~~~~-~-~-~-~-~-=-=-=-=J
~=~=====~~~~~~~~~~~~--J-
'I
r-------
---
--
---
--------~
'--'\.....J
\.....I\.....M
:
T2
---------~"\-,,-
...
'-''-'
I
I
I I
I I
r - - - - - - - - - - - - - - - - - - -
....
- - - - - - - - - - - - - - - - - - - - - - - - - - - - - - - - - - - - - - - - - - - - - - - - - - - - - - - - - - - - - - - - - - -
...J
A7
Travel
(Right)
P1
P2
A6
Return Filter
nominal 10
J.l
Suction Strainer
150mesh
!-~----.l....-
__
86
Travel
(Left)
Control valve
85
Arm
A4
~~L_Eng_ine
H
84
Pi
Service
S
11-
-1
P2
P3
P3
'1
83
I
)
I
I
I
J
'1
A3
-+
Swing:
I
I
)
Pump
Blade Spanner
Travel Motor (Right) Cylinder Cylinder Travel Motor (Left)
r - - - - - - - - - - - - - - - - - - - - - - - - - - - -
-t-
- - - - - - - - - - - - - - - - - - - - - - - - - - - - - - - - - - - - - - - - - - - - - - - - - - - - - - - - - - - - - - - - - - - - - - - - - - - - - - - - - - - - - - - - - - - - - - - - - - - - - - - - - - - - -
...,
T[--R~--DlI
~---------------------------------------------
~'-~
~--~D--[-r
I t - - - I : Rotary Joint I I - - -
-t
I
iii
i
I---;-------~
iii
i
I I I I I I I I I I
i
~
~
~
~
. J
~
-
-?*
- +p
P:
: I I
~
pp+-
-x
--J
~
~
~
~;
i
iii
iii
I I : i I I
i
Cn~
~m~]_~
L~,:~~:~~:::::::::~:~_-_-_-_-_-_-_-_-_~-_}-~:}!t~~~~~~~~~;;~~~~~~J--
I
L_~~m~
;m~J
i
PI
D C
I
I
I
I
I
J
i
i
i
M~-.F----'
L _
Blade
P4
Boom Swing
Cylinder
Boom Swing
Swing motor
Solenoid valve
1-_
--
I'--.J
I
I
L_
- - - - - - - - - -
.JI-
--
- - - - - -
_.JV
VV
VI-
---
--
------
---
-----
-
--
-
--
J
;
L ===============
~
~
=
~:~i:::i~
==============
~
~
~ ~
~ ~
~
-_
~
-_
~
~
-_-_-_-_
-
-_-_-_-_-_-_-_-_-_J
J
\....
_
I I I
I I I
I I I
r - - - - -
.../
'-
- - - - - - - - - - - - - - - - - - - - - - - - - - -
.J
'-
- - - - - - - - - - -
.J
V V
v,-
~
_ _
'-
_
)
I I I
I I I
I I I
I I I
LJI'-
~lvl'-------------------------~
~
_-~~~
~ ~
~
~~~
~~
~
~
~ ~
=
=~
==
==
=
==
==
===
~
~
=====
~
~=~
~=
=====
==
========
==
===
==
=====
===
==
=====
==
=
~
~
=
~
~
====
~
~\..f:\..f~-_-_-_-_-_-_-_-_-_-_~-_
~-_
~~
~~~
~-=-
-=--=--=-
-=--=-
-=-
-=--=--=-=
==
===
==
===
==
=====
==
===
==
==
=
==
==~
=~
=
=~~~
~~~~~
_-_-_-_-_-_-_-_-_-_-_-_-_-_-
__
I I
L .., I
I I
I I
I I
I I
I I
I I
I I
: A : B
rd-
----il
p'
I
I
Arm
Cylinder
r-----..J'
2-3-1

Table of Contents

Related product manuals