EasyManua.ls Logo

IHI 17VX3 - Boom Cylinder Assembly

IHI 17VX3
130 pages
Print Icon
To Next Page IconTo Next Page
To Next Page IconTo Next Page
To Previous Page IconTo Previous Page
To Previous Page IconTo Previous Page
Loading...
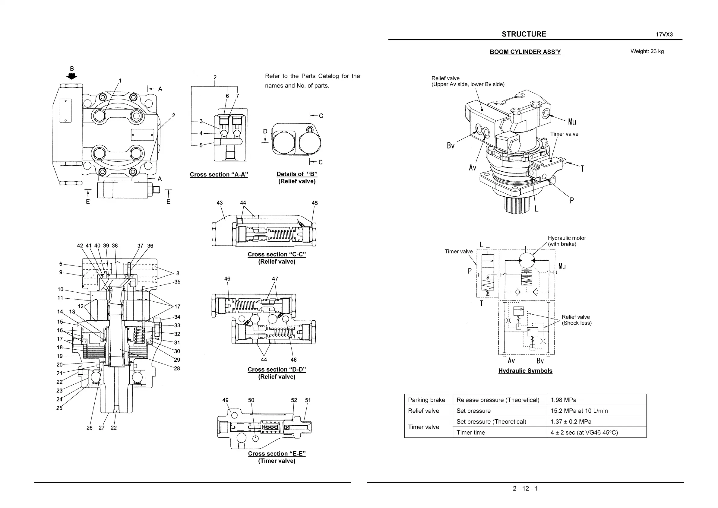
STRUCTURE
17VX3
BOOM CYLINDER ASS'Y
Weight:
23
kg
Relief
valve
(Shock less)
Hydraulic
motor
(with brake)
I
i
Mu
",--_.'
'"1:j
: I
, I
, I
Hydraulic
Symbols
L
Relief
valve
(Upper
Av
side,
lower
Bv side)
Parking brake Release pressure (Theoretical) 1.98 MPa
Relief valve Set pressure 15.2 MPa at 10 L/min
Set pressure (Theoretical) 1.37
± 0.2 MPa
Timer valve
Timer time 4
± 2 sec (at VG46 45°C)
52
51
~c
0
~
Bv
~C
T
Details
of
"B"
(Relief valve)
45
Refer to the Parts Catalog for the
names and No.
of
parts.
47
44 48
50
Cross
section
"0-0"
(Relief valve)
Cross
section
"C-C"
(Relief valve)
44
46
49
43
2
3
6 7
5
4-+---.-...
Cross
section
"A-A"
8
35
2
T
E
~A
37
36
17
34
~-----d-4---f--++--33
32
31
30
29
28
42
41
40
39
38
T
E
26 27 22
8
..
D
Cross
section
"E-E"
(Timer valve)
2-12-1

Table of Contents

Related product manuals