EasyManua.ls Logo

INVT SV-DA200 - Terminal Wiring of the Main Circuit

INVT SV-DA200
286 pages
To Next Page IconTo Next Page
To Next Page IconTo Next Page
To Previous Page IconTo Previous Page
To Previous Page IconTo Previous Page
Loading...
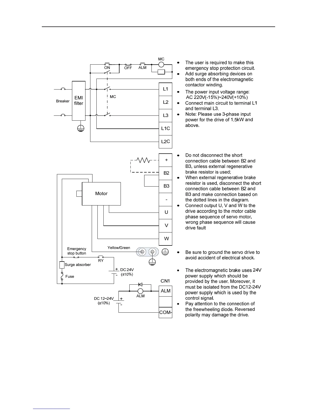
SV-DA200 series AC servo drives Wiring instruction
‐28‐
3.2 Terminal wiring of the main circuit
3.2.1 Wiring diagram of single phase 220V (small power range: 100W~5.5kW)

Table of Contents

Related product manuals