EasyManua.ls Logo

IRIS QUICKIE - Laccompagnateur

IRIS QUICKIE
173 pages
Print Icon
To Next Page IconTo Next Page
To Next Page IconTo Next Page
To Previous Page IconTo Previous Page
To Previous Page IconTo Previous Page
Loading...
MK-100151 Rev. A
99
FRANÇAIS
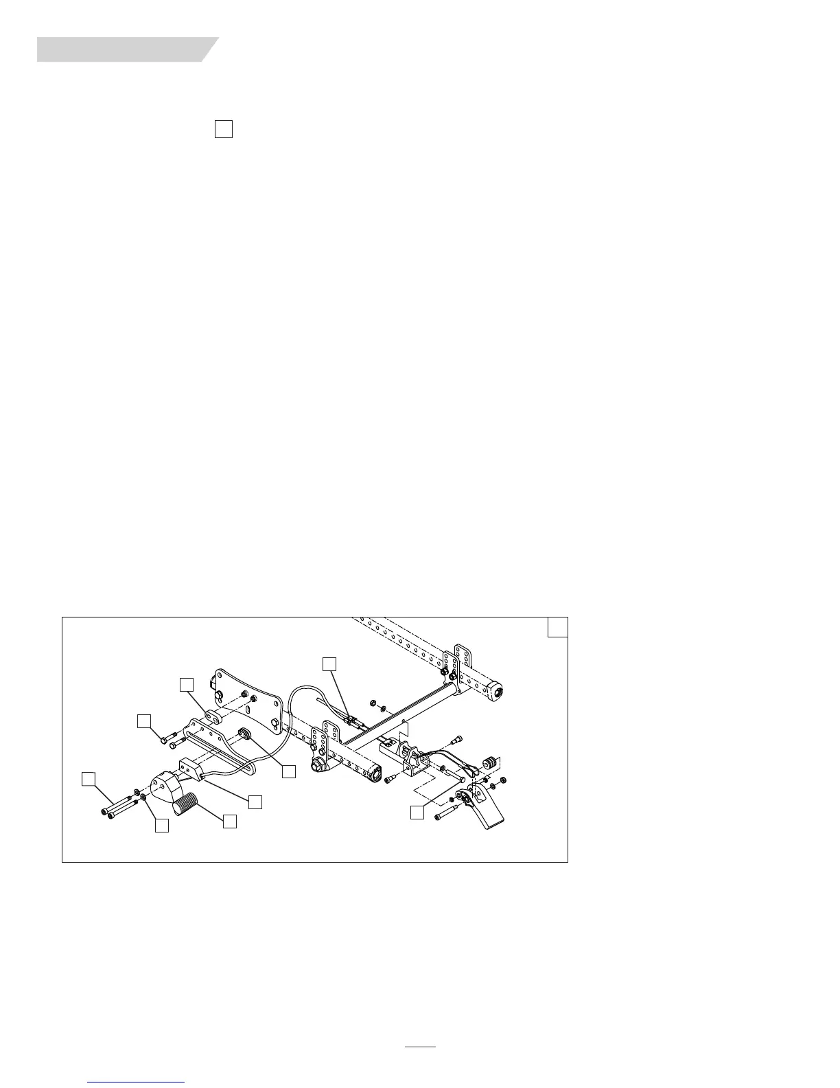
BB. INSTALLATION DU FREIN D’IMMOBILISATION POUR
L’ACCOMPAGNATEUR
1. Enlevez les roues du fauteuil.
2. Fixez le support/câble de montage sur le tube cylindrique de la base arrière à l’aide d’un boulon de 1/4 x
1 3/4 po (1) avec écrou et rondelles.
3. Si les roues à verrou-poussoir sont déjà installées, enlevez les assemblages de verrou-poussoir en retirant
les boulons M6 (2) et les écrous de réglages (3), en laissant les plaques coulissantes fixées aufauteuil, et
passez à l'étape 5. Si les freins d'immobilisation ne sont pas installés, passez à l'étape 4.
4. Fixez les plaques coulissantes des freins d’immobilisation sur les rouleaux de chaque côté du fauteuil à
l’aide des boulons hexagonaux de 1/4 x 1 1/4 po (4) et du bloc de montage (5). Si l’essieu de la roue
arrière est au-dessus du tube d’armature de la base, orientez les plaques coulissantes vers le haut. Si
l’essieu de la roue arrière est en-dessous du tube d’armature de la base, orientez les plaques vers le bas.
La plaque peut être basculée vers l'avant ou l'arrière selon la grosseur des roues.
5. Fixez les ensembles de freins d’immobilisation à distance de gauche et de droite (pièce 6) sur les plaques
coulissantes à l’aide des cales d’écartement de frein d’immobilisation de l’accompagnateur (7), des vis M6
x 60 (2), des rondelles de blocage (8) et des écrous de réglage de frein d’immobilisation (3). Les écrous de
réglage marqués d’un « R » et d’un « L » doivent être montés sur les côtés droit (Right) et gauche (Left)
du fauteuil, respectivement. La plus petite forme ovale dépassant sur les écrous doit glisser à l’intérieur de
la fente de la plaque coulissante. Ne serrez pas les boulons. Faites glisser les ensembles de blocage à dis-
tance vers l’avant, le plus loin possible.
6. Remettez les roues et glissez les ensembles de blocage à distance vers l’arrière jusqu’à ce que le frottoir
des dispositifs de blocage se trouve à environ 1/4 po (6 mm) des pneus lorsque ceux-ci sont débloqués. Si
le dispositif de blocage ne peut pas être réglé sur cette position, vous devrez ajuster la position de la
plaque coulissante jusqu’à ce que vous obteniez le réglage indiqué. Une fois les dispositifs de blocage à dis-
tance correctement positionnés, serrez les boulons.
7. Fixez les câbles sur les ensembles de blocage à distance en glissant le goujon de l’extrémité du câble dans
la fente et dans l’ensemble de blocage. Tirez la gaine du câble vers l’arrière et glissez l’extrémité de la
gaine dans la poche située sur la cale d’écartement du frein d’immobilisation de l’accompagnateur (3),
comme illustré. Veillez à acheminer les câbles en les faisant passer à l’écart de toutes les pièces mobiles.
Fixez les câbles en place sur le fauteuil avec les attaches fournies.
8. Ajustez les vis de réglage du câble (9) selon le besoin pour vous assurer que les freins d’immobilisation
peuvent s’étendre complètement lorsque la pédale est engagée. La position de l’ensemble de blocage à
distance devra peut-être faire l’objet d’un réglage de précision afin d’optimiser la force requise pour
engager la pédale, suivant le type de pneu. Si une force excessive est nécessaire pour engager la pédale, la
vie utile du câble peut s’en trouver écourtée. Une fois la position correcte obtenue, bloquez la vis de
réglage du câble en position en serrant les contre-écrous contre le bloc de montage.
78
IX. SERVICE DU REVENDEUR ET GLAGE
78
1
2
3
4
5
6
7
8
9

Table of Contents