EasyManua.ls Logo

Jackson TEMPSTAR - Tub Assembly

Jackson TEMPSTAR
86 pages
Print Icon
To Next Page IconTo Next Page
To Next Page IconTo Next Page
To Previous Page IconTo Previous Page
To Previous Page IconTo Previous Page
Loading...
31
07610-003-61-42-T
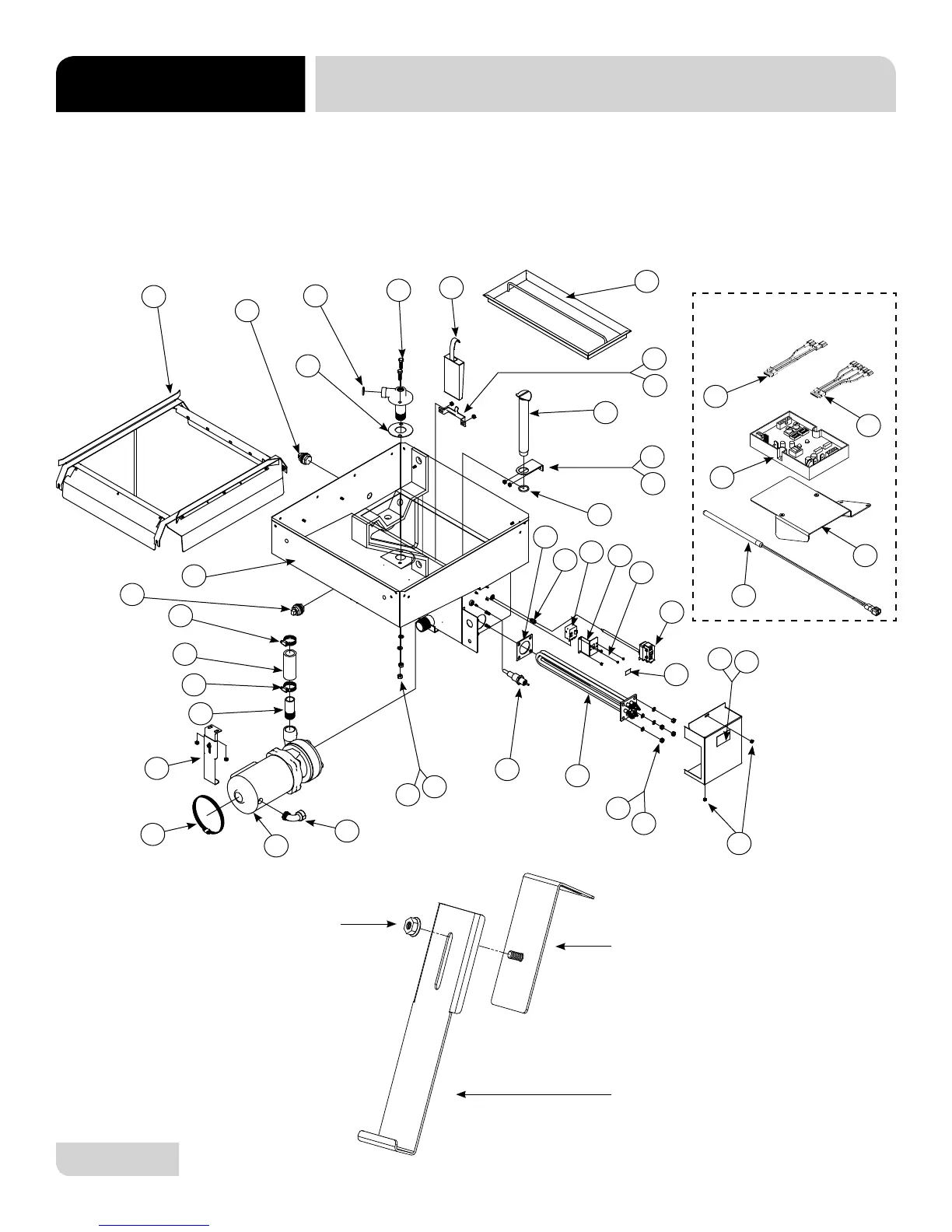
TUB ASSEMBLY
PARTS
12
11
10
13
15
11
14
34
37
36
33
26
35
32
31
30
29
27
28
24
25
22
23
21
4
20
19
18
16
16
17
3
1
2
3
5
6
7
8
Bracket, Motor Support Weldment
05700-002-68-31
Pump Support Adjustable Bracket
05700-002-20-41
Nut, 1/4”-20 Serrated Nut
05310-011-66-49
Pump Support Adjustable Bracket
Complete Assembly
05700-002-20-46
SOLID STATE THERMOSTAT
38
39
40
42
41

Table of Contents

Other manuals for Jackson TEMPSTAR

Related product manuals