EasyManua.ls Logo

Jackson TEMPSTAR - Steam Tub Assembly

Jackson TEMPSTAR
86 pages
Print Icon
To Next Page IconTo Next Page
To Next Page IconTo Next Page
To Previous Page IconTo Previous Page
To Previous Page IconTo Previous Page
Loading...
34
07610-003-61-42-T
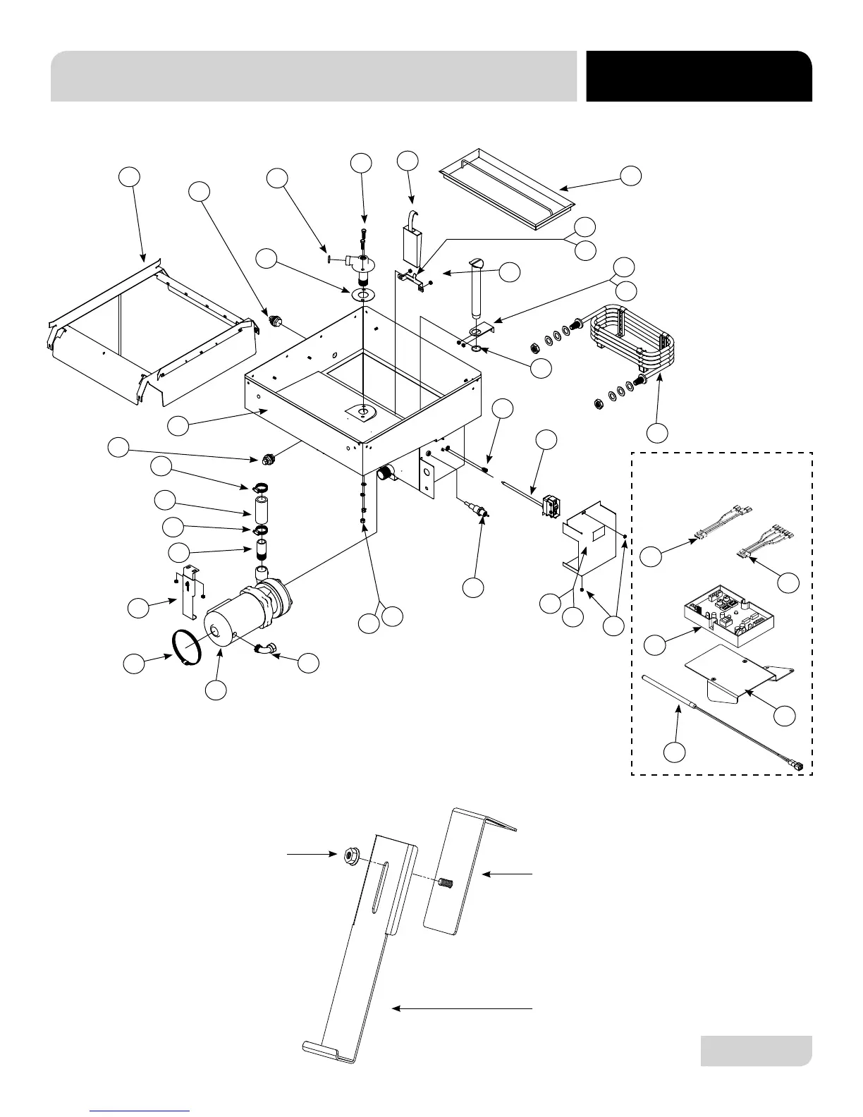
STEAM TUB ASSEMBLY
PARTS
12
11
10
13
15
11
14
24
29
27
28
25
22
23
21
4
20
19
18
16
16
17
3
1
2
3
5
6
7
8
26
30
Bracket, Motor Support Weldment
05700-002-68-31
Pump Support Adjustable Bracket
05700-002-20-41
Nut, 1/4”-20 Serrated Nut
05310-011-66-49
Pump Support Adjustable Bracket
Complete Assembly
05700-002-20-46
SOLID STATE THERMOSTAT
31
32
33
35
34

Table of Contents

Other manuals for Jackson TEMPSTAR

Related product manuals