EasyManua.ls Logo

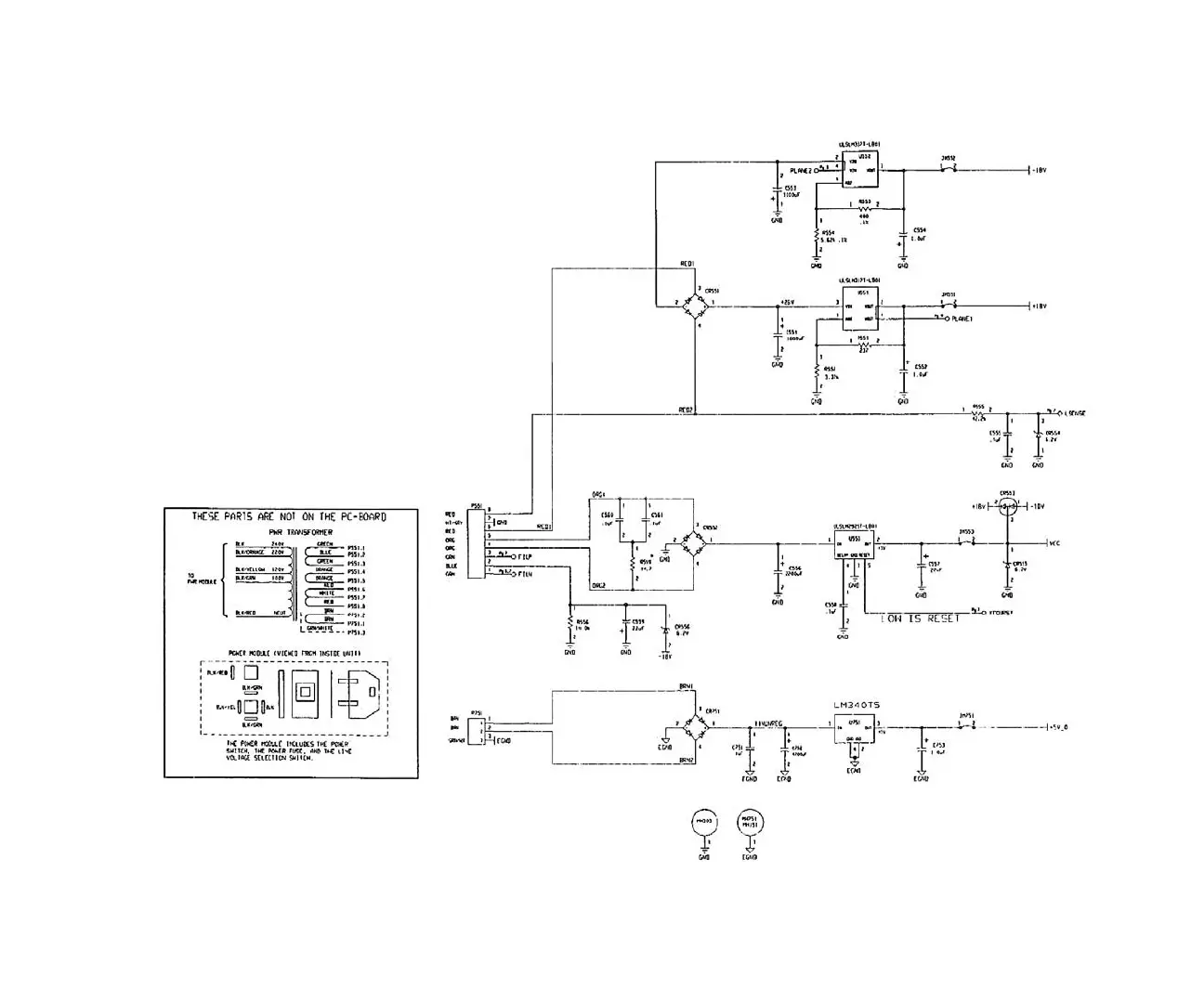
Keysight Technologies 34420A - Power Supply Schematic

Keysight Technologies 34420A
189 pages
Print Icon
To Next Page IconTo Next Page
To Next Page IconTo Next Page
To Previous Page IconTo Previous Page
To Previous Page IconTo Previous Page
Loading...
Keysight 34420A Service Guide 184
Power Supply Schematic

Table of Contents

Related product manuals