EasyManua.ls Logo

Koden MDC-1840BB - Page 30

Koden MDC-1840BB
185 pages
Print Icon
To Next Page IconTo Next Page
To Next Page IconTo Next Page
To Previous Page IconTo Previous Page
To Previous Page IconTo Previous Page
Loading...
Chapter 3 MDC-1840BB/1841BB/1860BB/1810BB/1820BB Series
Technical Specifications Operation Manual
3-8 0093142122-08
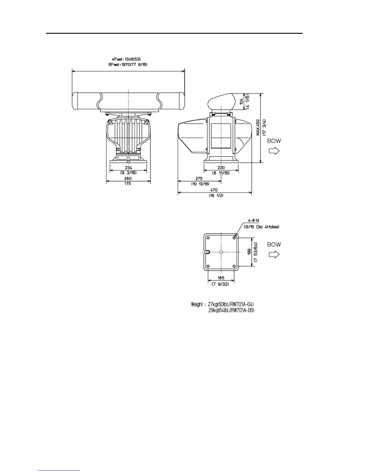
Figure 3.4 External dimensions of the Antenna unit, RB719A

Table of Contents