EasyManua.ls Logo

Koden MDC-1840BB - Page 40

Koden MDC-1840BB
185 pages
Print Icon
To Next Page IconTo Next Page
To Next Page IconTo Next Page
To Previous Page IconTo Previous Page
To Previous Page IconTo Previous Page
Loading...
MDC-1840BB/1841BB/1860BB/1810BB/1820BB Series Chapter 4
Operation Manual Installation
0093142122-11 4-7
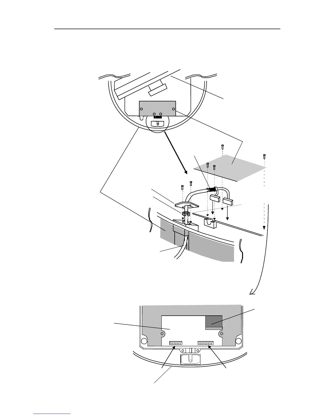
Fix connector on
PCB(X11, X12)
Stern side
Shield cover
Cable shield
Radome
(
bottom
)
Fixin
g
p
late
Rubber ring
Interconnecting cable
X12
(
Connect here
)
Radome (bottom)
PCB
Inner shield
X11
(
Connect here
)
Figure 4.5 Connecting the cable to the antenna

Table of Contents