EasyManua.ls Logo

KTM 530 EXC - Wiring Diagram

KTM 530 EXC
106 pages
Print Icon
To Next Page IconTo Next Page
To Next Page IconTo Next Page
To Previous Page IconTo Previous Page
To Previous Page IconTo Previous Page
Loading...
2/HA
2/KA
2/VB
2/OB
AH1/2
AK1/2
G
2/2HA
AJ1/3
BG1/3
1
3
2
v
2/SB
4/RB
4/KB
black
U
CE/4
CA/4
81/UB
CW/2
CX/2
2
1
CW1/2
CX1/2
1
2
CW2/2
CX2/2
CW3/2
CX3/2
BF/1
BA/1
OFF
ON
4/YB
4/VC
4/KB
12
4
3
4/KB
6/CA
6/CB
3/TB
3/GB
6
5
21
4
3
12
3
1/IE
1/HE_
1
1.2
CY/3
CZ/3
DA/4
DB/4
CW/2
CX/2
BP/4
DG/4
M
A
01
4/FA
3/MA
3/RA
AJ/3
BG/3
G
3
12
4
1
3
2
2
2
2
1
2/TA
1
1
2/1TA
4
2/LA
2/1LA_
3
2
3
2
4
2
2
1
3
1
1
1
1
2
2
1
2
2
2
CR1/1
CR/1
1
1
1
2
3
3
3
4
3
2
1
4
21
5
6
7
11
01
21
4131
2
1
2
1
12
3
4
4
re-wh
re-bl
gn
re
re
gn
re-bl
re-wh
bu-wh
br
ye-bl
bu-wh
br
ye
wh-gn
or
pu
bl
or
ye-re
br
re
ye
gn
bu
wh
ub
ng
ye-re
br
ye-re
br
ye
wh
bu
ye
bl
bl
ye
bu
bl
wh-re
ye-re
ye-re
br
or
ye-re
ye-re
ye-bl
br
br
ye-bl
bl
gr
gr
bl-wh
er-ey
ey
hw
rb
rb
lb
hw-ng
hw
rb
rb
up
rb
lb
rb
hw
rb
up
er
er-ey
ey
ng-hw
ub
rb
lb
up
lb
lb
er
ub
hw
rb
er-ey
lb-rb
rb
rb
lb
up
lb-eylb-ey
H2
H7
H11
H4
S2
H18
H15
B3
P1
S5
S6
S7 S8
H13
K2
S10
X2
S13
S11
M1
K1
G1
S12
S1
N2
H1
H5
H3
G2
L1
B1
A6
L2
X1
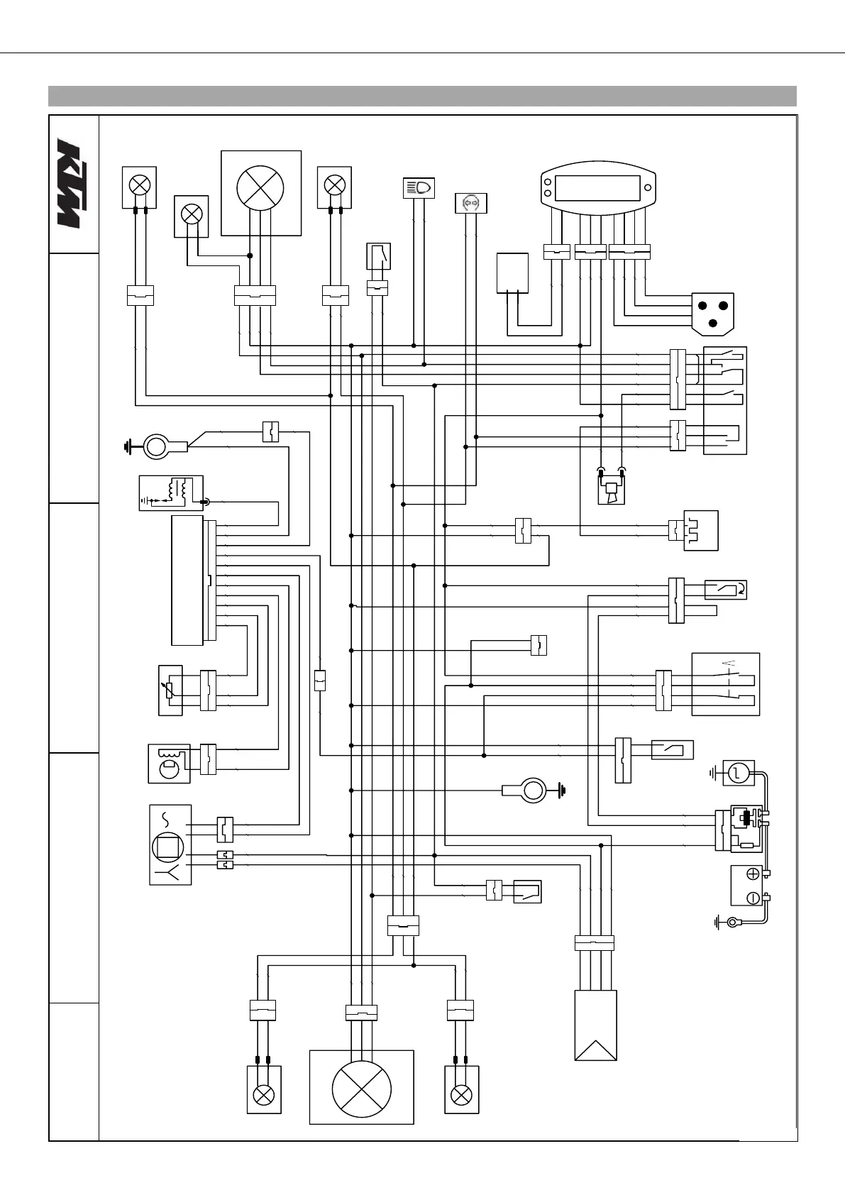
WIRING DIAGRAM 94
20WIRING DIAGRAM
20.1Wiring diagram
500249-10

Table of Contents

Related product manuals