EasyManua.ls Logo

Linde E30 - Page 157

Linde E30
168 pages
Print Icon
To Next Page IconTo Next Page
To Next Page IconTo Next Page
To Previous Page IconTo Previous Page
To Previous Page IconTo Previous Page
Loading...
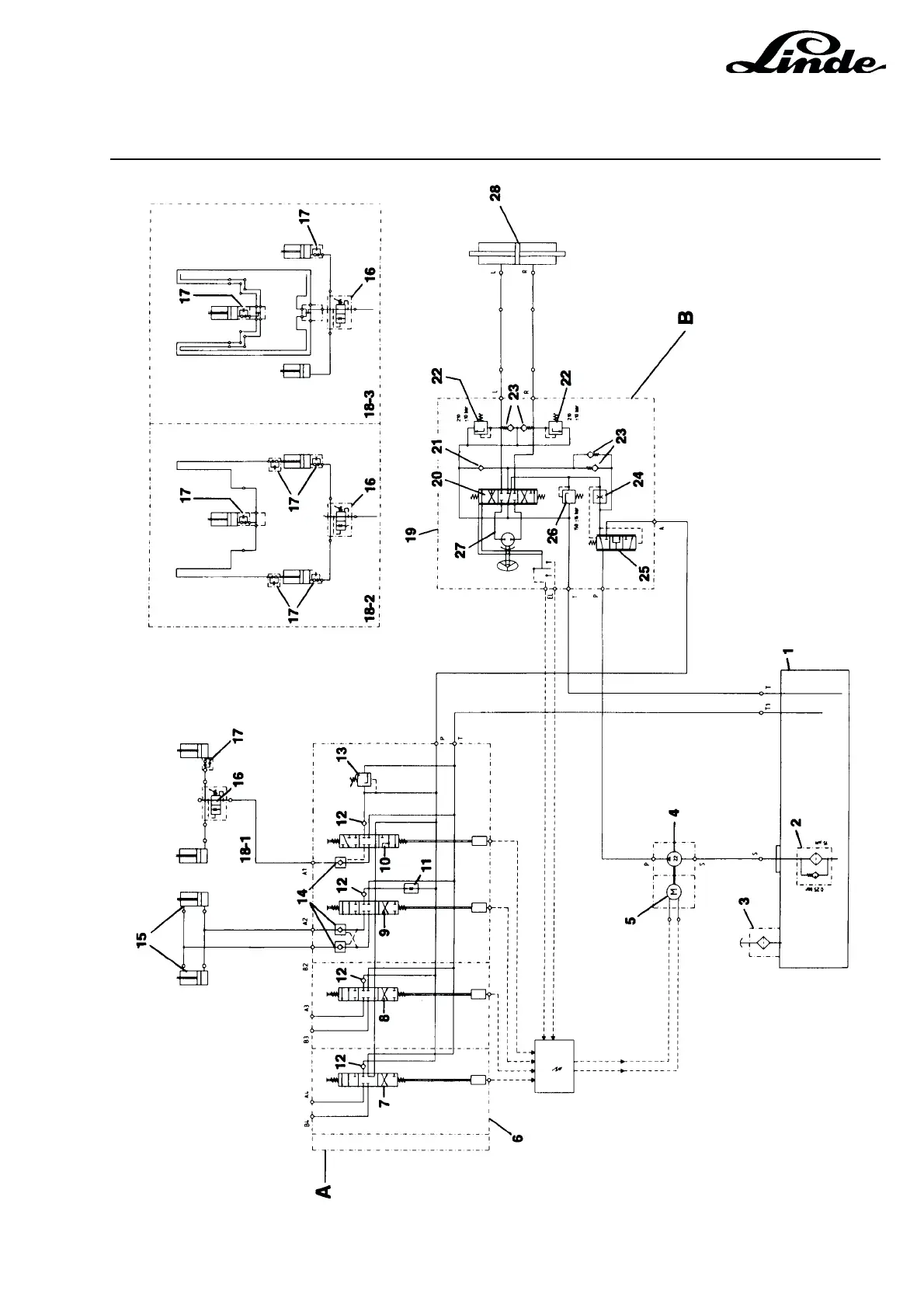
Service Training
Section 2.7
Page 7

Table of Contents

Related product manuals