EasyManua.ls Logo

LSIS H100-2 - Page 202

LSIS H100-2
610 pages
Print Icon
To Next Page IconTo Next Page
To Next Page IconTo Next Page
To Previous Page IconTo Previous Page
To Previous Page IconTo Previous Page
Loading...
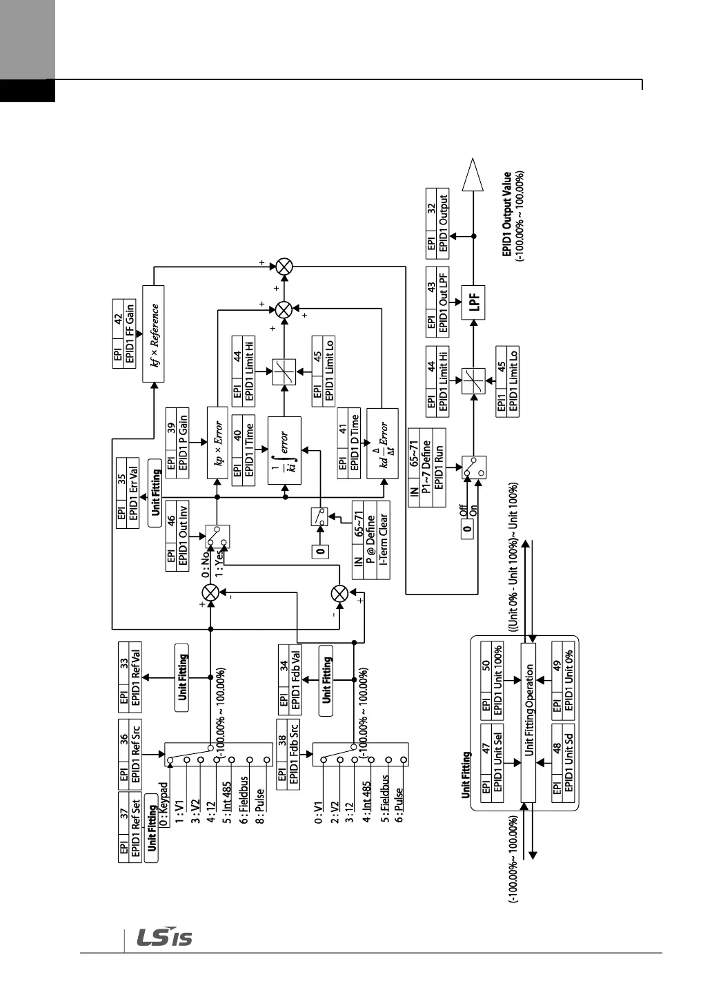
Learning Advanced Features
188
EPID2 Control block

Table of Contents

Related product manuals