EasyManua.ls Logo

Marstair CC 875 - Outdoor Unit Wiring Diagrams

Marstair CC 875
68 pages
Print Icon
To Next Page IconTo Next Page
To Next Page IconTo Next Page
To Previous Page IconTo Previous Page
To Previous Page IconTo Previous Page
Loading...
30
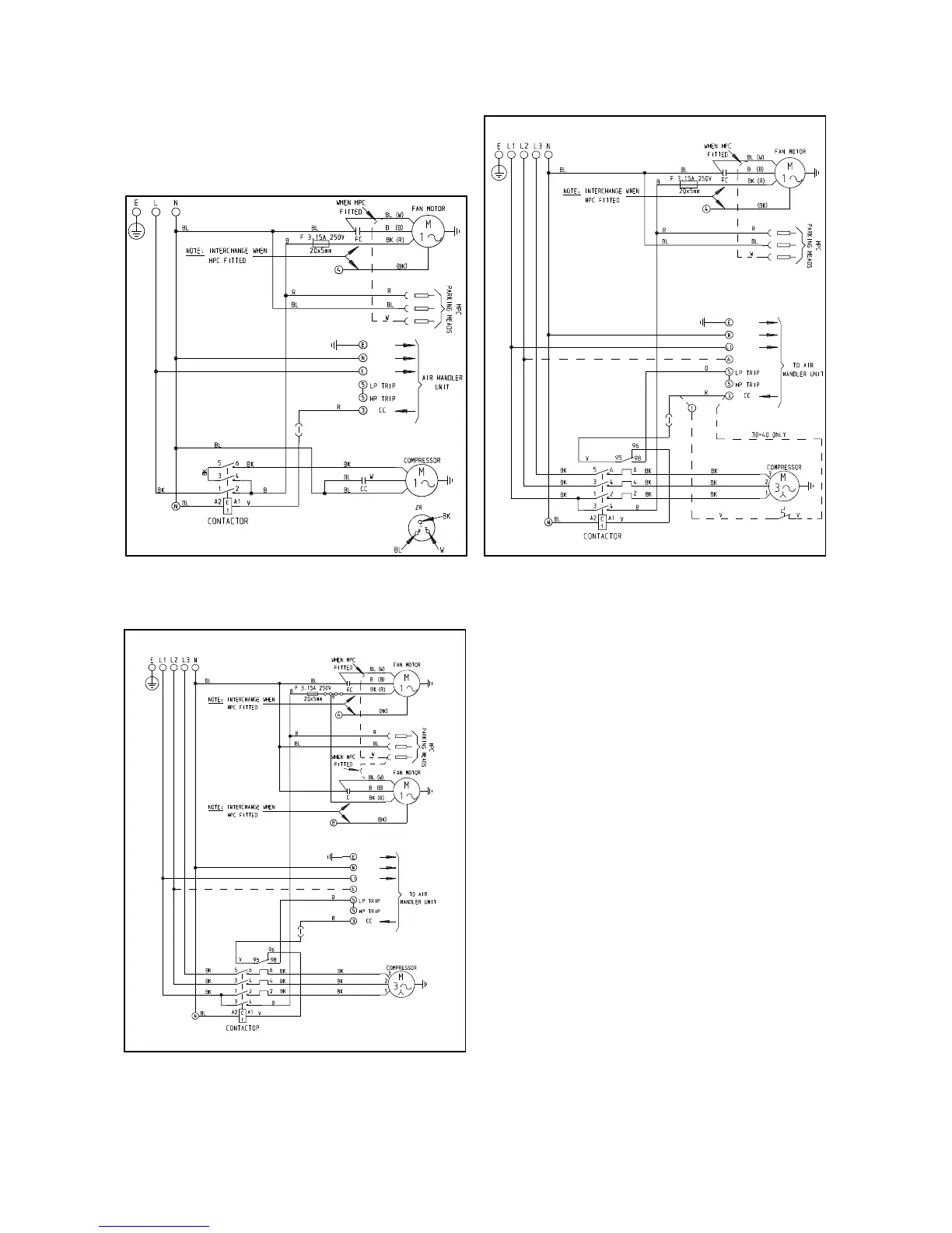
MCU WIRING DIAGRAMS
1 Phase MCU 60 to 90 3 Phase MCU 60 to 100
3 Phase MCU 130 to 150
Heronhill - for all your Marstair requirements
Tel: 01823 665660
www.heronhill.co.uk
Fax: 01823 665807

Table of Contents

Related product manuals