EasyManua.ls Logo

mensor PCS 400 - Page 104

mensor PCS 400
118 pages
Print Icon
To Next Page IconTo Next Page
To Next Page IconTo Next Page
To Previous Page IconTo Previous Page
To Previous Page IconTo Previous Page
Loading...
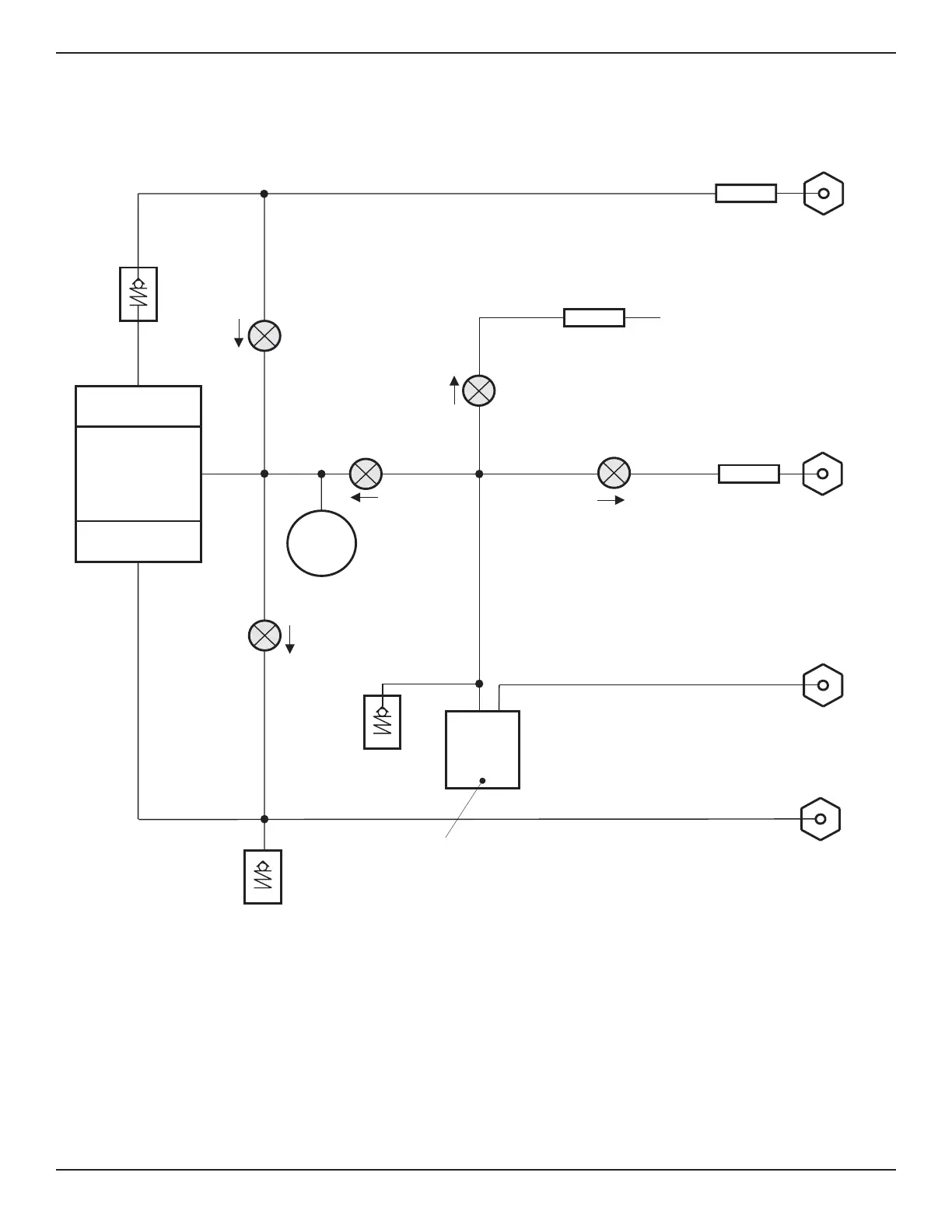
SUPPLY
SOURCE
REFERENC
E
NO CONNECTION TO REFERENCE
PORT IF TRANSDUCER IS ABSOLUTE
EXHAUST
EXHAUST
OUTPUT
REGULATOR
ASSEMBLY
MEASURE/
CONTROL
FILTER
FILTER
VENT
1/3 PSI
CHECK
VALVE
CONTROL
SHUTOFF
SOLENOID
OUTPUT
SHUTOFF
SOLENOID
1PSI
RELIEF
VALVE
PRIMARY XDCR
RELIEF VALVE
N.C.
N.C.
P
L5
L3
L1
COARSE
SUPPLY
SOLENOID
N.C.
COARSE
EXHAUST
SOLENOID
L2
N.C.
VENT
SOLENOID
N.C.
R
L4
PRESSURE
XDUCER
(GAUGE)
SPT
#00
P
AUX
XDUCER
1. All Solenoid Valves are 2-way, normally closed (N.C.).
2. Pneumatics shown with Gauge Pressure Transducer.
3. Multi-range (optional) schematics are included in the Appendix.
NOTES:
FILTER
Figure 9.2 - Pneumatic Schematic - Standard PCS 400
PCS 400 APPENDIX
www.mensor.com 9-11

Table of Contents