EasyManua.ls Logo

mensor PCS 400 - Page 105

mensor PCS 400
118 pages
Print Icon
To Next Page IconTo Next Page
To Next Page IconTo Next Page
To Previous Page IconTo Previous Page
To Previous Page IconTo Previous Page
Loading...
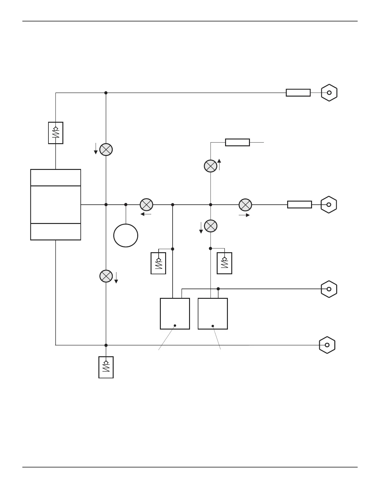
Dual Range PCS 400
SUPPLY
SOURCE
REFERENC
E
EXHAUST
EXHAUST
OUTPUT
REGULATOR
ASSEMBLY
MEASURE/
CONTROL
FILTER
FILTER
VENT
1/3 PSI
CHECK
VALVE
CONTROL
SHUTOFF
SOLENOID
OUTPUT
SHUTOFF
SOLENOID
1PSI
RELIEF
VALVE
PRIMARY XDCR
RELIEF VALVE
SECONDARY XDCR
RELIEF VALVE
P
P
P
L5
L3
L1
COARSE
SUPPLY
SOLENOID
COARSE
EXHAUST
SOLENOID
L2
AUX
XDUCER
PRIMARY
XDUCER
(GAUGE)
SECONDARY
XDCR SHUTOFF
SOLENOID
R
R
L6
SECONDARY
XDUCER
(GAUGE)
NO CONNECTION TO REFERENCE PORT
IF TRANSDUCERS ARE ABSOLUTE
SPT
#00
(STANDARD)
SPT
#01
(OPTIONAL)
ALL SOLENOID VALVES ARE 2-WAY NORMALLY CLOSED (N.C.).NOTE:
VENT
SOLENOID
L4
FILTER
Figure 9.3 - Pneumatic Schematic
APPENDIX PCS 400
9-12 www.mensor.com

Table of Contents