EasyManua.ls Logo

MIOX RIO H4 - Figure 21 Ventilation Requirements

Default Icon
82 pages
Print Icon
To Next Page IconTo Next Page
To Next Page IconTo Next Page
To Previous Page IconTo Previous Page
To Previous Page IconTo Previous Page
Loading...
MIOX RIO Series Operators Manual
P/N: 102-00076-G Page 35
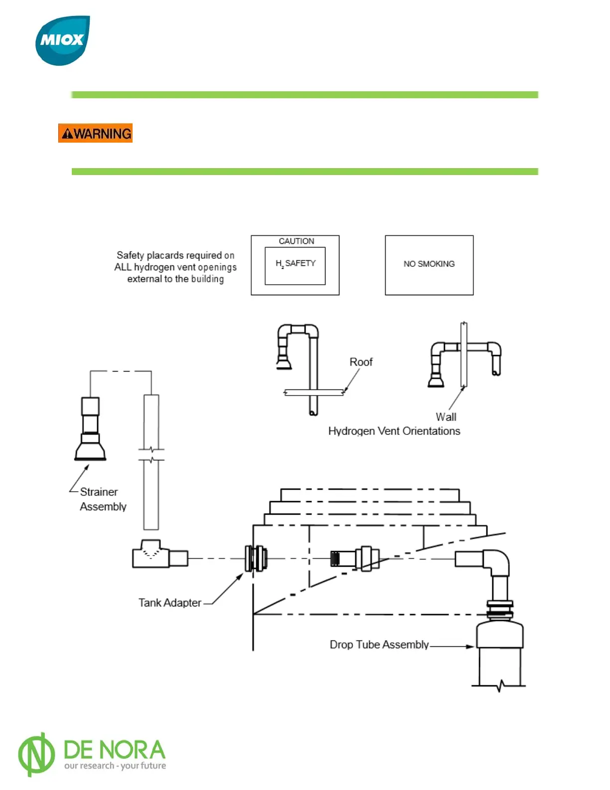
The plumbing and ventilation requirements explained in MIOX ’s
Hydrogen Safety White Paper
and this manual must be followed
explicitly to ensure proper hydrogen venting.
MIOX oxidant tanks require that they be vented to the atmosphere outside the facility.
Proper configuration of vent assemblies (Figure 21) is vital to ensure safety.
Figure 21 Ventilation Requirements

Table of Contents

Related product manuals