EasyManua.ls Logo

Mircom TX3-200-4U-C - Lobby Control Unit Wiring Diagram

Mircom TX3-200-4U-C
101 pages
Print Icon
To Next Page IconTo Next Page
To Next Page IconTo Next Page
To Previous Page IconTo Previous Page
To Previous Page IconTo Previous Page
Loading...
TX3 System
TX3 Telephone Access System Installation and Operation Manual 37
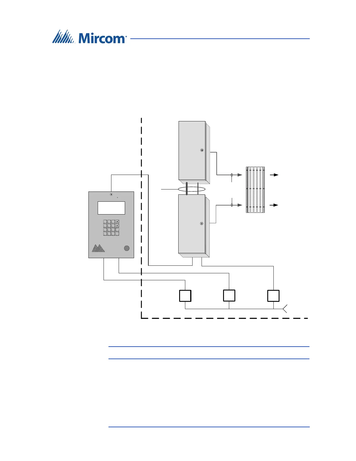
3.7 Lobby Control Unit Wiring
All units use the PS-4P transformer for the power supply. All wiring is a
maximum length of 1000 ft. The door strike power supply depends on the door
strike power requirements.
Figure 19 shows a typical wiring arrangement for the Lobby Control Unit.
Figure 19. Lobby Control Unit Wiring
Note: Install all transformers outside the Lobby Control Unit enclosure.
9106/
9406
Cables
2008/16
NSL Expander
Unit
1 2 3
4 5 6
7 8 9
* 0 # i
Resident’s
Telephone
Telephone
company
CA-71A
Or
RJ-71C
Blocks
Electrical room
Power
transformer
16VAC/40VA
PS-4 or PS-4P
Power
transformer
AC or DC Door
strike supply
T/R
T/R
120 VAC
60HZ
TX3-NSL-8M
NSL Control
Unit
Power
transformer
16VAC/40VA
PS-4 or PS-4P
T/R
Line1
Expansion
cables

Table of Contents

Other manuals for Mircom TX3-200-4U-C

Related product manuals