EasyManua.ls Logo

Mitsubishi FREQROL-SF - Spindle Orientation Using Encoder; (4096 Points, with Index Function)

Mitsubishi FREQROL-SF
219 pages
Print Icon
To Next Page IconTo Next Page
To Next Page IconTo Next Page
To Previous Page IconTo Previous Page
To Previous Page IconTo Previous Page
Loading...
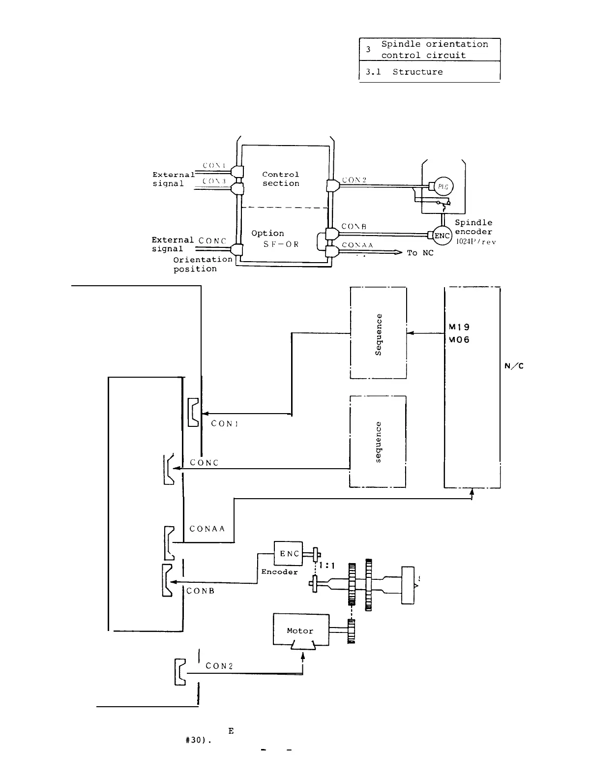
3.1.2 Spindle orientation using encoder
(4096 points,
with index function)
(a) Where the equipment is linked with te NC using analog
or digital signals:
-i-l
----_____
nn+ion card
aF-OR
Orientation
command
t
CON1
Orientation
command
Controller
Option card
SF-?'I.
n
CONC
position command
I
(12 bit binary)
r
Ml9
MO6
I
R
CON2
u
I
Spindle
N/C
(Note) When the direction of the motor rotation differs from
that of the encoder rotation,
it is necessary to change
the bit 8 and bit
E
of the parameter 0RS2 (amplifier
parameter
#30).
-
82
-

Table of Contents