EasyManua.ls Logo

Mitsubishi LANCER EVOLUTION-IV 1998 - Page 121

Mitsubishi LANCER EVOLUTION-IV 1998
526 pages
To Next Page IconTo Next Page
To Next Page IconTo Next Page
To Previous Page IconTo Previous Page
To Previous Page IconTo Previous Page
Loading...
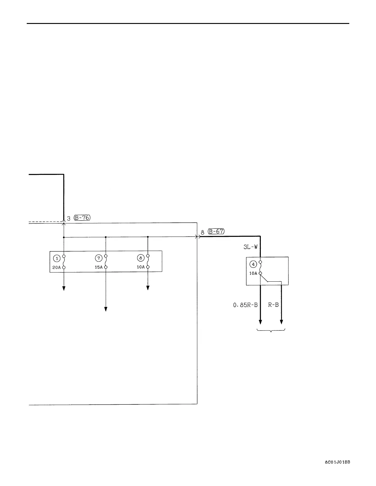
CIRCUIT DIAGRAM Power Distribution System
WINDSHIELD
WIPER, WASHER
REAR WIPER,
WASHER
CIGARETTE LIGHT-
ER AND ASHTRAY
ILLUMINATION LAMP
ELECTRIC RETRACT-
ABLE REMOTE
CONTROLLED DOOR
MIRROR
ELECTRICALLY
REMOTE CON-
TROLLED DOOR
MIRROR
CLOCK AND
MULTI-DISPLAY
CENTRAL DOOR
LOCKING SYS-
TEM (VEHICLES
WITH KEYLESS
ENTRY SYSTEM)
RADIO
SPARE CONNEC-
TOR FOR RADIO
MULTI-
PURPOSE
FUSE
DEDICATED
FUSE (RELAY
BOX IN ENGINE
COMPARTMENT)
HORN
C-23

Table of Contents

Related product manuals