EasyManua.ls Logo

Mitsubishi LANCER EVOLUTION-IV 1998

Mitsubishi LANCER EVOLUTION-IV 1998
526 pages
To Next Page IconTo Next Page
To Next Page IconTo Next Page
To Previous Page IconTo Previous Page
To Previous Page IconTo Previous Page
Loading...
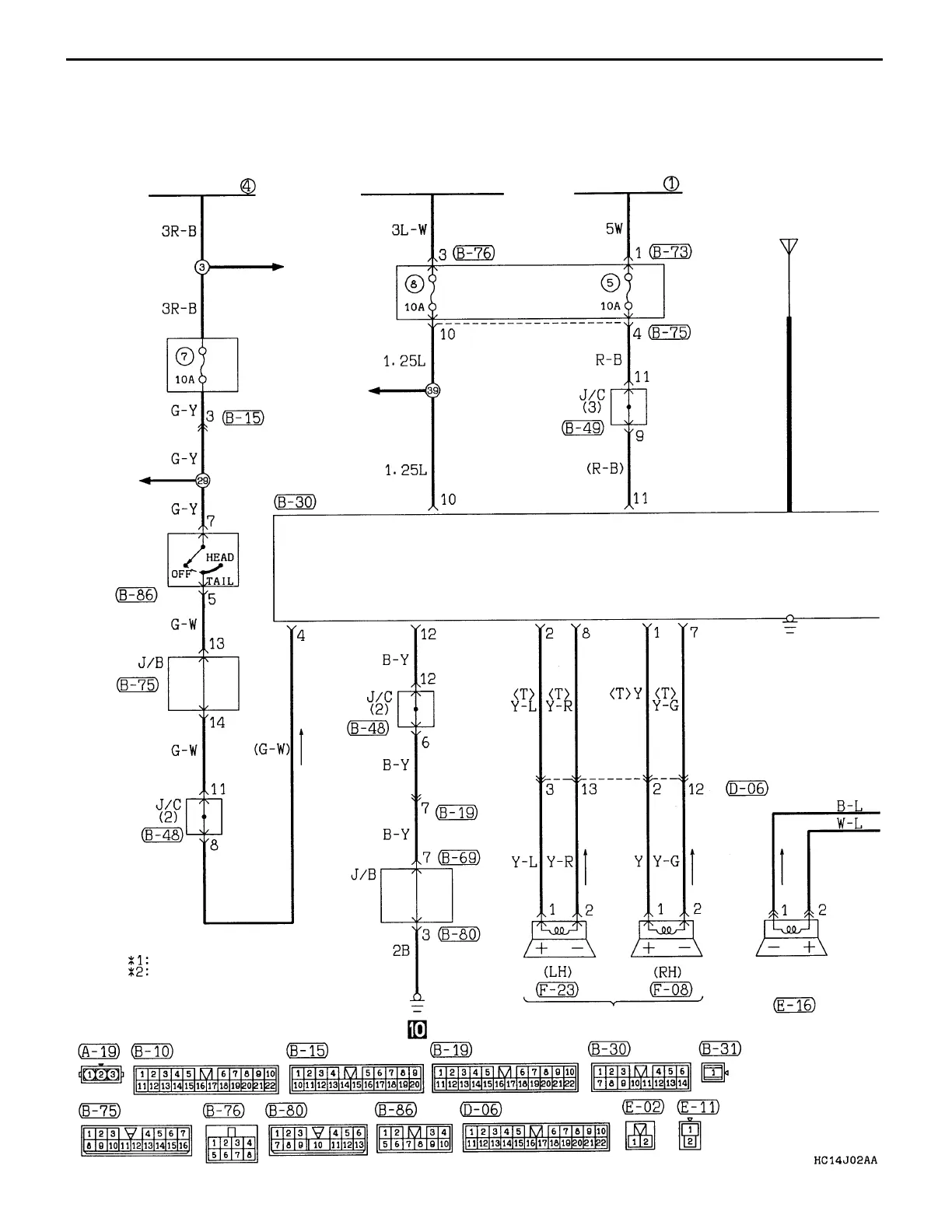
CIRCUIT DIAGRAM Radio <4-speaker, 6-speaker>
FUSIBLE LINK
IGNITION SWITCH (ACC)
FUSIBLE LINK
CHARGING
SYSTEM
POWER
SUPPLY
HEADLAMP
DEDICATED
FUSE
FOG LAMP
COLUMN
SWITCH
(LIGHTING
SWITCH)
CENTRAL
DOOR LOCK-
ING SYSTEM
<VEHICLES
WITH KEYLESS
ENTRY SYS-
TEM>
<VEHICLES WITH
POLE ANTENNA>
POLE ANTENNA
ANTENNA
FEEDER
LINE
AM/FM RADIO
REAR SPEAKAER
TWEETER (LH)
<VEHICLES WITH
6 SPEAKERS>
B-80
RADIO <4-SPEAKER, 6-SPEAKER>

Table of Contents

Related product manuals