EasyManua.ls Logo

Mitsubishi LANCER EVOLUTION-IV 1998

Mitsubishi LANCER EVOLUTION-IV 1998
526 pages
To Next Page IconTo Next Page
To Next Page IconTo Next Page
To Previous Page IconTo Previous Page
To Previous Page IconTo Previous Page
Loading...
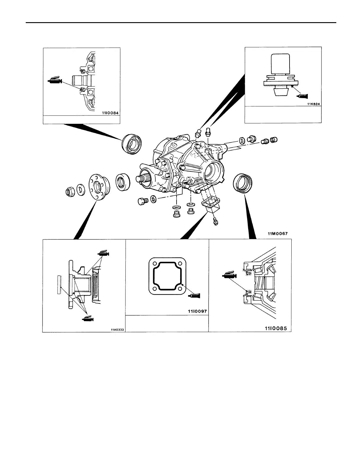
REAR AXLE Torque Transfer Differential <Vehicles with AYC>
27-44
GREASE AND SEALANT APPLICATION POINTS
Grease: Vaseline
Semi-drying sealant:
THREEBOND 1281B
Semi-drying sealant:
THREEBOND 1281B
φ3.0 mm

Table of Contents

Related product manuals