EasyManua.ls Logo

Mitsubishi LANCER EVOLUTION-IV 1998 - Page 88

Mitsubishi LANCER EVOLUTION-IV 1998
526 pages
To Next Page IconTo Next Page
To Next Page IconTo Next Page
To Previous Page IconTo Previous Page
To Previous Page IconTo Previous Page
Loading...
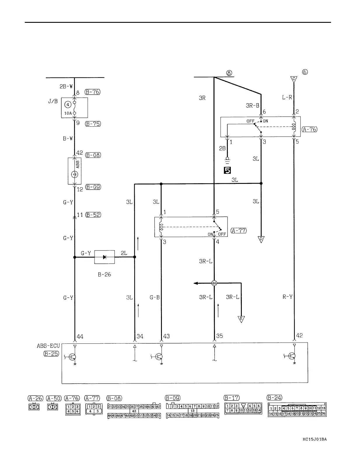
CIRCUIT DIAGRAM – Anti-lock Brake System (ABS)
IGNITION SWITCH (IG1)
FUSIBLE LINK
MULTI-PURPOSE
FUSE
COMBINATION
METER
VALVE
RELAY
MOTOR
RELAY
DIODE
ACTIVE YAW
CONTROL
SYSTEM
B-84
ANTI-LOCK BRAKE SYSTEM (ABS) (CONTINUED)

Table of Contents

Related product manuals