EasyManua.ls Logo

MKS SENTRY 1510A - Page 23

MKS SENTRY 1510A
56 pages
Print Icon
To Next Page IconTo Next Page
To Next Page IconTo Next Page
To Previous Page IconTo Previous Page
To Previous Page IconTo Previous Page
Loading...
Instruction Manual #122162 23
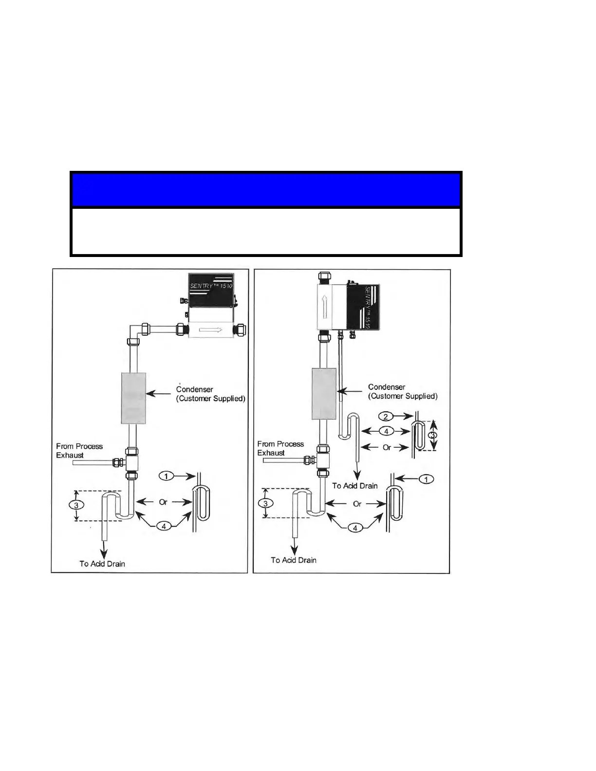
5.2.2 P-Traps or Tubing Loops
1. Tubing should have a minimum outside diameter of 1/2” (12 mm).
2. Tubing for the SENTRY 1510 drain should have an outside diameter Appropriate to fit a 1/4”
NPT fitting.
3. Height of the p-trap or loop should be at least twice the minimum house exhaust. If house
exhaust is 100 mm (4”), then the p-trap height should be 200 mm (8”).
4. Water must always be in the p-trap or tubing loop in order for it to isolate the process path from
the drain line.
Notice
Failure to maintain water in the p-trap may result in the loss of pressure
control or erratic control.
5.2.3 Isolation Valves
1. Isolation valves must remain closed during process in order to isolate the process path from
the drain line.
2. The Drain line must be monitored and drained periodically to insure that water does not back
up into the exhaust path. An automated drain valve that activates and drains the line when
process is not running may also be used.
3. Vertical installation will also require an isolation valve in the SENTRY 1510 drain line. This
valve must also remain closed during process and periodically monitored for liquid build up.

Related product manuals