EasyManua.ls Logo

MKS SENTRY 1510A - Drains and P-Traps Installation

MKS SENTRY 1510A
56 pages
Print Icon
To Next Page IconTo Next Page
To Next Page IconTo Next Page
To Previous Page IconTo Previous Page
To Previous Page IconTo Previous Page
Loading...
Instruction Manual #122162 22
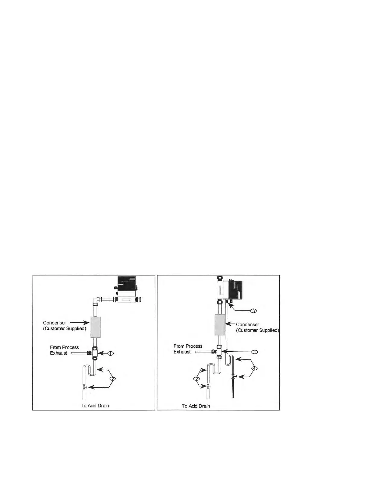
5.2 Drains and P-Traps
Drains and p-traps are required on all vertical SENTRY 1510 installations to remove any
condensation that may accumulate in the controller. Additionally p-traps and drains are
required for furnaces that run wet process regardless of the SENTRY 1510 installation
configuration (horizontal or vertical). If your installation is using a customer supplied condenser
this should be in place before installing the drains. If your installation is using a BAI supplied
condenser please see the condenser section of this manual for additional information on
installing drains with a BAI condenser.
Once you have installed the drain lines following the instructions below some form of drain
isolation must be installed. This can be done using a p-trap, tubing loop or isolation valve. Once
you have chosen a method that best fits your installation requirements refer to the appropriate
section for detailed instructions.
5.2.1 Drains
1. Use a “T” fitting on the process tube exhaust at the input of the condenser. The downward side
of this tee should be plumbed to a p-trap or isolation valve so the process pressure is isolated
from the acid drain.
2. Plumb the downward side of the p-trap or isolation valve to the facilities acid drain (refer to
section 4.2.2 and 4.2.3 for installation of p-traps or isolation valves).
3. For vertical installations a drain line must also be installed in the SENTRY 1510. Remove the
1/4” NPT plug located just below the nitrogen supply fitting on the SENTRY 1510. Install a 1/4”
NPT fitting suitable for plumbing a drain line to a p-trap or isolation valve.
4. Plumb from the 1/4” NPT fitting installed in step 3 to a p-trap or isolation valve (refer to section
4.2.2 and 4.2.3 for installation of p-traps or isolation valves).

Related product manuals