EasyManua.ls Logo

NEC switch - Pin I;O Circuits

NEC switch
234 pages
Print Icon
To Next Page IconTo Next Page
To Next Page IconTo Next Page
To Previous Page IconTo Previous Page
To Previous Page IconTo Previous Page
Loading...
CHAPTER 2 PIN FUNCTIONS
Users Manual U12978EJ3V0UD
34
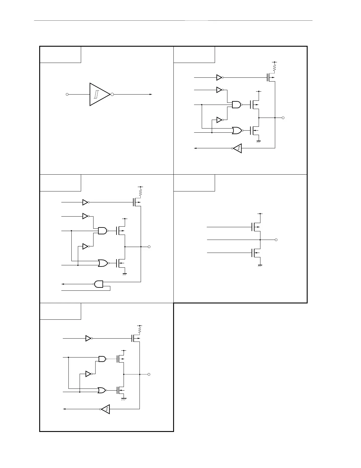
Figure 2-1. Pin I/O Circuits
Type 2
Type 5-R
Type 8-F
Type 24-A
Type 8-C
IN
Schmitt-triggered input with hysteresis characteristics
Pull-up
enable
P-ch
cut
Output
data
Output
disable
V
DD0
VDD0
P-ch
N-ch
IN/OUT
P-ch
Input
enable
VSS0
VDD0
P-ch
IN/OUT
P-ch
V
DD0
Pull-up
enable
Output
disable
Output
data
N-ch
V
SS0
Pull-up
enable
P-ch
cut
Output
data
Output
disable
V
DD0
VDD0
P-ch
N-ch
IN/OUT
P-ch
VSS0
VSS0
TXDXP
RXDX
TXDXN
V
REG
P-ch
N-ch
IN/OUT

Table of Contents