EasyManua.ls Logo

NEC switch - Block Diagram of P26

NEC switch
234 pages
Print Icon
To Next Page IconTo Next Page
To Next Page IconTo Next Page
To Previous Page IconTo Previous Page
To Previous Page IconTo Previous Page
Loading...
CHAPTER 4 PORT FUNCTIONS
Users Manual U12978EJ3V0UD
67
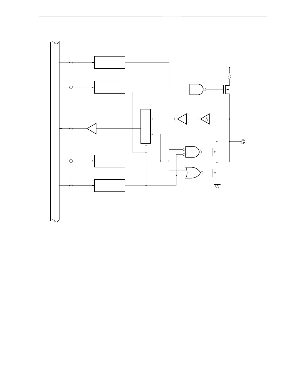
Figure 4-9. Block Diagram of P26
RD
V
DD0
P26
WR
POM1
WR
PU0
WR
PORT
WR
PM
Output latch
(P26)
PM26
PU02
P-ch
P-ch
N-ch
V
DD0
POM126
Internal bus
Selector
POM1: Port output mode register 1
PU0: Pull-up resistor option register 0
PM: Port mode register
RD: Port 2 read signal
WR: Port 2 write signal

Table of Contents