EasyManua.ls Logo

NUM 1050 M - Page 35

Default Icon
388 pages
Print Icon
To Next Page IconTo Next Page
To Next Page IconTo Next Page
To Previous Page IconTo Previous Page
To Previous Page IconTo Previous Page
Loading...
en-938821/2 2 - 3
Product Presentation
2
2.1 Environment
2.1.1 NUM 1060 Series I or NUM 1060 Series II
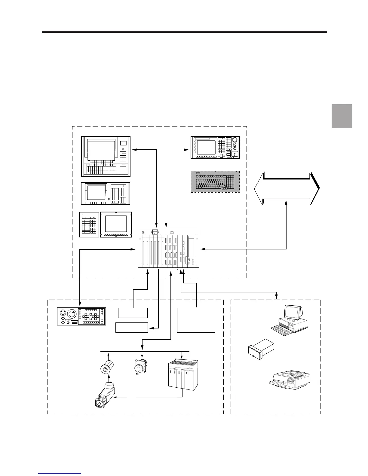
The following diagram illustrates the links between the CNC, the machine and the peripherals for NUM 1060 Series I
and NUM 1060 Series II systems with CNC panel or LCD panel or compact panel.
INDUSTRIAL NETWORKS
• UNI-TELWAY
• MAP
• MAPWAY
Servo-drive
Motor
Movement
sensor
Additional
handwheels
PC or PS
Sensors
External
interrupts
(measurement
probes)
Actuators
Axes
PERIPHERALS
Diskette drive
Printer
SERIAL LINES
NUM 1060 Series I
or Series II CNC
MACHINE
Compact panel
Machine panel
Panel
Optional keyboard
or
or
or
The compact panel is incompatible with the machine panel. An optional keyboard can be connected to the compact
panel.

Table of Contents

Related product manuals