EasyManua.ls Logo

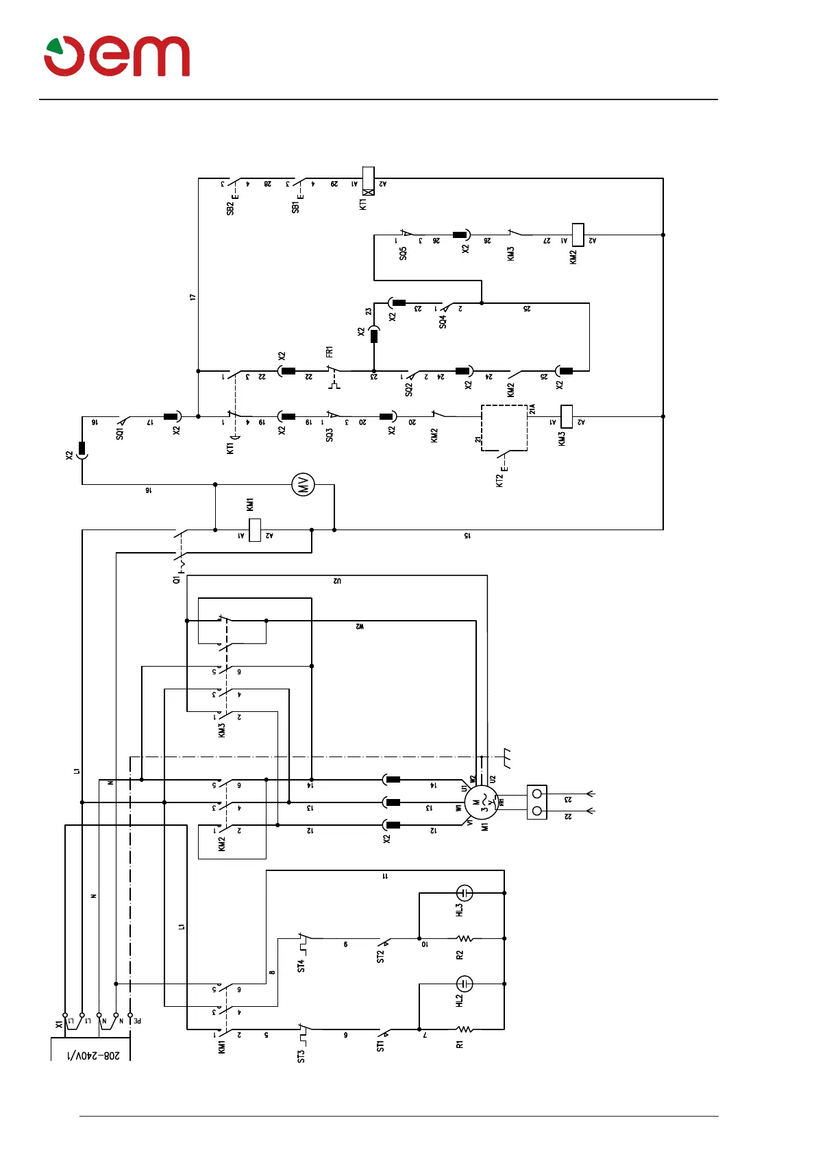
OEM PF 33 MT - Schaltplan Monophase

OEM PF 33 MT
Print Icon
To Next Page IconTo Next Page
To Next Page IconTo Next Page
To Previous Page IconTo Previous Page
To Previous Page IconTo Previous Page
Loading...
PF 33 MT - PF 46 MT
D - 26
Elektrischer schaltplan
SCHALTPLAN MONOPHASE

Table of Contents

Related product manuals