EasyManua.ls Logo

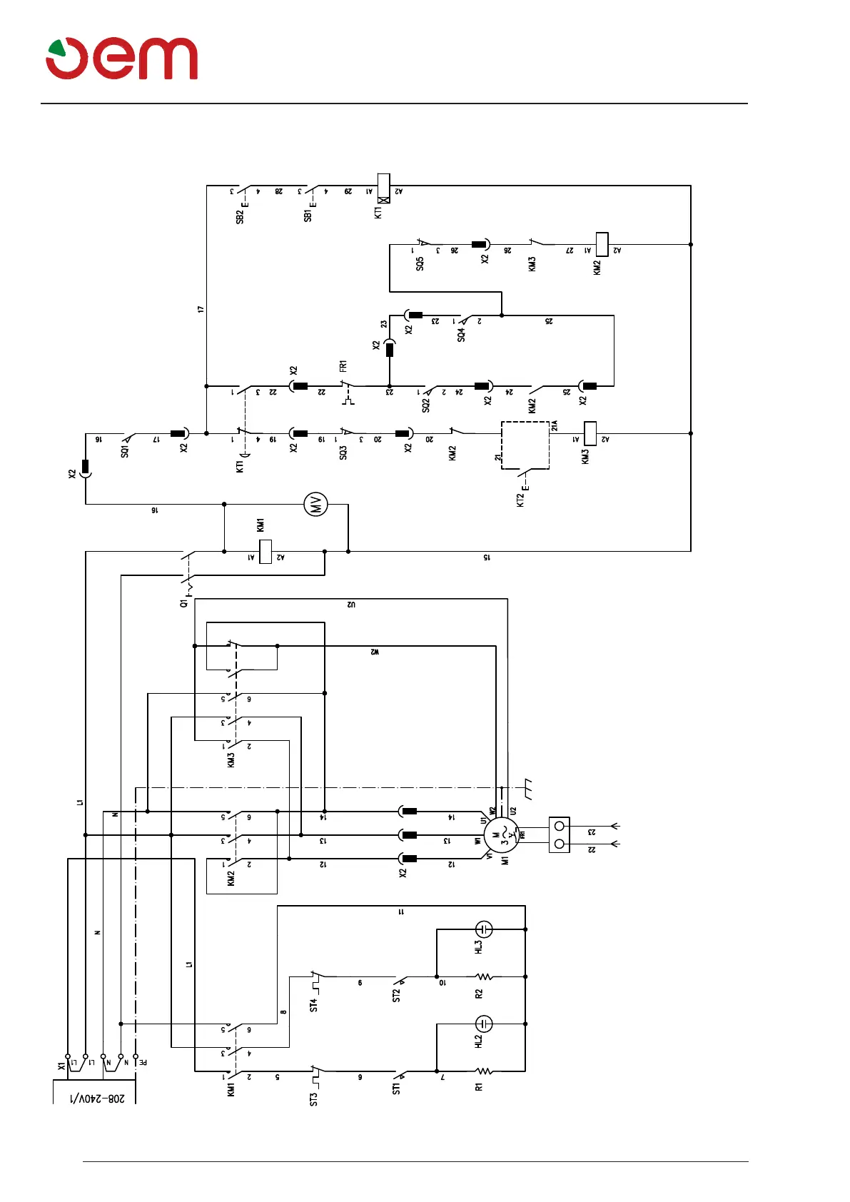
OEM PF 33 MT - Esquema Eléctrico Monofásico

OEM PF 33 MT
Print Icon
To Next Page IconTo Next Page
To Next Page IconTo Next Page
To Previous Page IconTo Previous Page
To Previous Page IconTo Previous Page
Loading...
PF 33 MT - PF 46 MT
Esquema electrico
E - 26
ESQUEMA ELÉCTRICO MONOFÁSICO

Table of Contents

Related product manuals