EasyManua.ls Logo

OEM PF 33 MT - Single-Phase Wiring Diagram

OEM PF 33 MT
Print Icon
To Next Page IconTo Next Page
To Next Page IconTo Next Page
To Previous Page IconTo Previous Page
To Previous Page IconTo Previous Page
Loading...
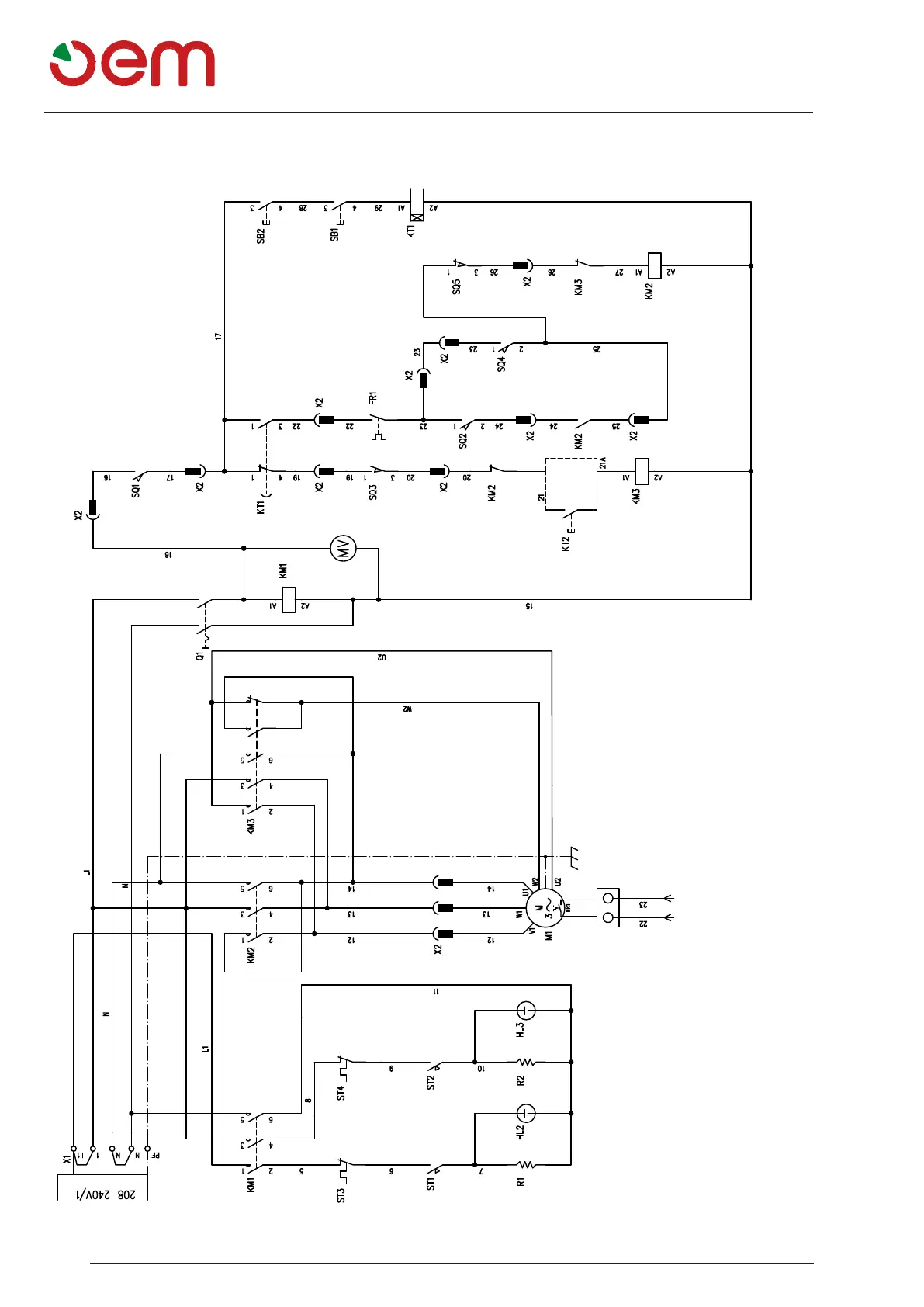
PF 33 MT - PF 46 MT
Wiring diagram
EN - 26
SINGLE-PHASE WIRING DIAGRAM

Table of Contents

Related product manuals