EasyManua.ls Logo

OEM PF 33 MT - Schéma Électrique Monophasé

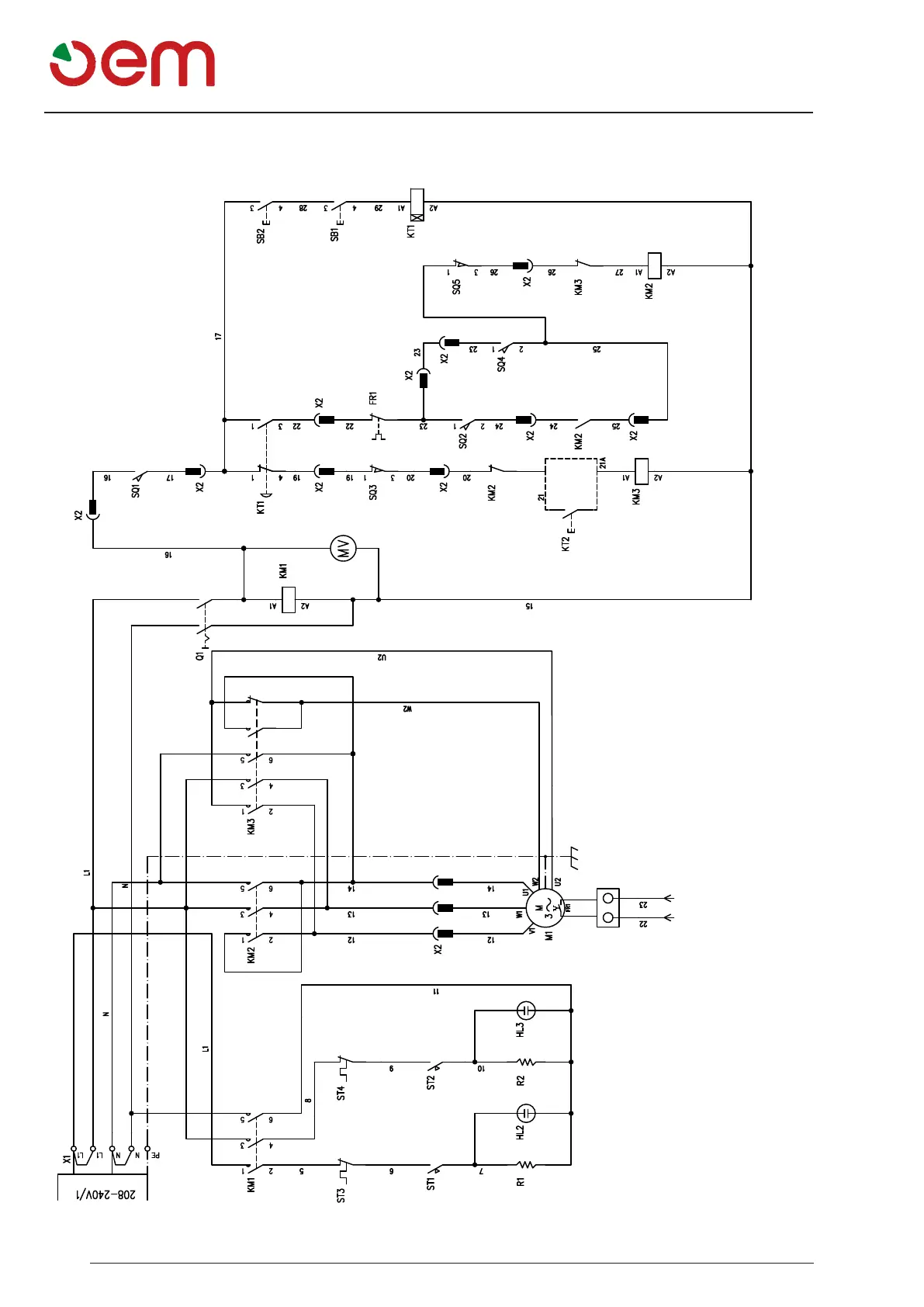
OEM PF 33 MT
Print Icon
To Next Page IconTo Next Page
To Next Page IconTo Next Page
To Previous Page IconTo Previous Page
To Previous Page IconTo Previous Page
Loading...
PF 33 MT - PF 46 MT
F - 26
Schema eletrique
SCHÉMA ÉLECTRIQUE MONOPHASÉ

Table of Contents

Related product manuals